融合时空图信息的配电网故障区段定位及可解释性分析方法

刘畅宇 王小君 张大海 刘 曌 尚博阳 窦嘉铭

(北京交通大学电气工程学院 北京 100044)

摘要 为提高复杂运行场景下配电网故障定位的准确性与可靠性,该提出一种融合时空图信息的配电网故障区段定位及可解释性分析方法。首先,依托配电网量测信息构建融合时间连续性与空间整体性的时空图结构数据,用于刻画时空特征与故障区段之间的映射关系;其次,从时-空两个维度提取故障特征,建立基于时空图信息的配电网故障区段定位模型;然后,设计可解释性分析模块,对模型决策依据及其内在工作机制进行事后可解释性分析,支撑故障定位结果的可靠性;最后,搭建典型配电系统仿真模型对所提方案进行验证。结果表明,与现有同类方法相比,所提方案具有定位精度高、鲁棒性强的优点,并在分布式电源波动、噪声干扰、数据缺失及拓扑重构场景下保持良好的泛化能力。

关键词:配电网 故障定位 拓扑变化 时空图卷积网络 可解释性

0 引言

随着“双碳”目标与新型电力系统建设的持续深入推进,分布式电源、电力电子化设备/负荷高比例接入,传统配电网向新型配电系统转型已成为必然趋势[1-2]。在新能源出力波动、拓扑频繁重构变化等复杂运行场景下,配电系统的安全可靠运行面临全新挑战。因此,快速而准确地定位故障可为运维人员提供有效指导,大幅缩短故障处置时间,对提高系统运行可靠性具有重要意义[3]

传统的配电网故障定位方法主要包括阻抗法、行波法和矩阵法等。阻抗法旨在通过回路阻抗与线路单位阻抗的比例计算量测点到故障点距离,是现场操作中最易于实现的方法之一[4]。但阻抗法在应用时需先对网络拓扑进行等效[5],一旦拓扑结构发生变化则需重新进行等值计算,在配电网拓扑频繁变化时难以适应。行波法利用故障暂态行波信号在线路中的传播时间与行波信号实现故障定位,基本不受过渡电阻及中性点接地方式的影响[6]。但故障行波受配电网拓扑结构影响,其在传输与折反射过程中易发生信号衰减或畸变现象,导致故障定位精度降低[7]。矩阵法通常利用配电网拓扑形成的网络描述矩阵及馈线终端单元上传的故障信息来进行故障定位,但其容易发生误判、漏判,且在拓扑变化场景下的容错能力较低[8]

近年来,微型同步相量量测单元(Micro Phasor Measurement Unit, μPMU)在配电网应用发展迅速,可凭借较低的硬件成本获取高精度、带时标的电压/电流信号,为人工智能方案提供丰富的数据资源。基于数据驱动的故障定位算法通过离线训练方式拟合输入(量测信号)与输出(故障位置)间的非线性映射关系,具有良好的定位精度和容错能力[9]。目前应用于配电网故障定位的人工智能方案主要有人工神经网络(Artificial Neural Network, ANN)[10]、卷积神经网络(Convolutional Neural Networks, CNN)[11-12]、长短期记忆神经网络(Long Short Term Memory, LSTM)[13]与其他复合模型[14]等。

虽然上述人工智能方法及其改进方案已取得良好的应用效果,但在配电网拓扑变化等复杂运行场景下仍存在一定的泛化局限性。即上述方案通常会将多个来自不同量测单元的时序信号直接拼合构成较长的二维信号,或构造为二维图像送入深度学习网络中,未考虑空间信息,因而导致装置间相互作用的空间特征被忽略。为此,有学者开始将图神经网络(Graph Neural Network, GNN)应用于配电网故障定位领域,如文献[15]利用GNN对故障特征进行提取与融合,在数据畸变场景下具有良好的鲁棒性;文献[16]将注意力机制融入图卷积神经网络(Graph Convolutional Network, GCN),可在网络经济性重构或故障性重构场景下保持泛化能力。虽然上述方案可对配网拓扑结构和多源故障信息进行提取,但其未能充分挖掘故障区段量测信息中蕴含的时空特征,同时未能对人工智能模型普遍存在的“黑箱问题”进行可解释性分析,而缺乏可解释性已成为限制深度学习在配电网故障诊断这类安全敏感任务中的主要障碍之一[17]

针对上述问题,本文提出了一种融合时空图信息的配电网故障区段定位及可解释性分析方法。首先,构建融合时间连续性与空间整体性的时空图结构;其次,利用时空图卷积网络充分提取配电网故障状态下的时序波形信息与空间结构特征,实现拓扑变换场景下高精度故障定位;然后,设计可解释性分析模块,对模型决策依据与内在工作机制进行事后可解释性分析;最后,搭建典型配电系统仿真模型对所提方案进行验证。

1 配电网时空图结构数据构建

从图论角度看,电力系统是由母线和线路相互连接而成的互联网络,具有典型的图结构特征[18]。在不考虑元件内部信息的情况下,可将配电网中的发电机(或母线)、负载等元件抽象为节点,各线路抽象为边,构建配电网结构(如图1所示)并用图结构数据width=40.3,height=16.65刻画配网运行状态[19-20]。其中,width=11.3,height=11.3为邻接矩阵,用于反映各节点之间的连接状态,当两节点彼此相连时邻接矩阵中的相应元素为1,否则为0。width=13.45,height=11.3为节点特征矩阵,可由各节点配置的量测装置采集到的电气信息量(三相电压、三相电流等)汇集而成。例如,当配电网某处发生故障时,配电系统中编号为width=8.6,height=14.5的节点width=12.35,height=16.1可采集到的节点特征矩阵width=18.8,height=14.5

width=135.45,height=38.7 (1)

式中,width=23.65,height=18.8width=22.05,height=18.8分别为量测点width=12.35,height=16.1采集到的三相电压、三相电流在width=10.2,height=15.05时刻的瞬时值,共计k个采样点。

将配电网全部N个节点的特征矩阵拼合,可形成整个配电网的三维节点特征矩阵width=13.45,height=11.3

width=156.75,height=210.75

图1 配电网的图结构映射

Fig.1 Mapping of graph structure for distribution network

width=158.95,height=21.75 (2)

不同的配电网拓扑结构具有不同的邻接矩阵,而在实际配电线路中一般会装设断开的分段开关,在连接主馈线、变电站和分支线路时还会装设联络开关(见图1中S1、S2)。通过联络开关的开闭合状态可对配电网进行功率优化,达到改变电压分布、降低网损和优化供电成本等目的,从而提高配电网的可靠性和经济性。此时,配电线路的连接情况变化,相应的拓扑结构和故障特征将会产生相应演变。所以,仅依靠局部测点或单一时间断面的电网测量值分布进行故障定位的方案容易出现分类盲区,其定位效果易受较大影响。同时,配电网在发生故障后产生的影响可根据拓扑连接关系逐步向线路两端传播,不同故障位置会产生不同的故障波形,且不同量测点感知到的信息也会发生相应的改变。因此,在配网发生故障/扰动时,可融合配电网多个量测点的故障信号构建时空图信息故障表征结构,利用其丰富的故障信息,实现基于数据驱动的配电网故障定位方法。

为此,本文提出一种融合时间连续性与空间整体性的时空图信息故障表征结构,基于量测点连接关系,将每个量测点与其相邻的量测点相连接,形成一个网状结构,如图2所示。同时,对于每一个量测点,赋予其随时间变化的节点特征矩阵,使图具有表征时空信息的属性,即时空图结构数据。该结构在时间轴方向上视为电网信息的多维时间序列,在空间轴上视为量测信息在拓扑结构上的分布状态。

width=230.25,height=171

图2 配电网时空图数据构建

Fig.2 Spatio-temporal graph data construction of distribution network

2 时空图卷积网络构建及其可解释分析

配电网故障区段定位模型的可靠性构建和可信度解释是完成故障定位任务的重中之重。本章建立基于时空图卷积网络的分类模型以充分挖掘时空图结构数据中蕴含的故障特征,并构造可解释性分析模块对模型决策机制进行事后可解释性分析。

2.1 时空图卷积网络模型

时空图卷积网络是一种提取时空特征的网络架构,最初用于解决人体动作识别[21]与交通流量预测[22]问题,后逐渐在暂态稳定评估[23-24]、新能源出力预测[25]和故障诊断[26]等领域应用。本文设计的用于配电网故障区段定位的时空图卷积网络模型结构如图3所示。

width=459.75,height=213

图3 模型结构

Fig.3 The structure of the model

具体而言,该模型主要由时空图特征提取和故障区段分类两部分实现时空图结构数据到故障区段分类结果间的非线性映射。时空图特征提取部分由若干个时空图卷积网络(Spatio-Temporal Graph Convolutional Network,STGCN)堆叠而成,由时序信息捕捉基本模块(Temporal Information Capture Basic Block,TIC-Block)和空间特征感知基本模块(Spatial Feature Perception Basic Block,SFP-Block)共同对配电网时空图结构数据进行电气信息表达,从时-空两维度深层次挖掘故障特征。故障区段分类部分主要对故障特征进行学习,将数据展平并输入全连接层(Dense)进行故障区段映射关系拟合,并利用Softmax函数将特征映射至[0, 1]区间,选取其中最大值对应的标签作为故障区段的判断结果,以获得分类输出。

2.1.1 时空图特征提取部分

1)时序信息捕捉基本模块

为捕捉时间序列中蕴含的故障特征,本文基于门控卷积单元(Gated-CNN)构建时序信息捕捉基本模块。通过引入门控机制,Gated-CNN能够自适应地保留时序特征,降低模型对新能源波动或量测噪声的敏感性,并通过对连续时间片段上的特征合并来实现特征增强,确保模型提取的时序特征更加稳定。一个门控卷积单元由两个一维卷积层组成,其数学表达式为

width=170.5,height=19 (3)

式中,width=14.95,height=13.6width=21.75,height=13.6分别为Gated-CNN模块在第l层的输入和输出;width=14.95,height=16.3width=14.95,height=16.3为维度相同的卷积核;width=11.55,height=16.3width=11.55,height=16.3为模型的偏置;width=11.55,height=12.25为卷积操作;width=21.75,height=14.95为门控函数,此处取Sigmoid激活函数。

2)空间特征感知基本模块

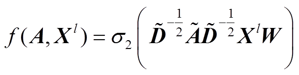
通常情况下,配电网重构(如开关操作引发的节点连通性变化)发生在局部区域,而由于GCN聚合局部邻域信息的天然属性,通过聚合节点信息来捕捉故障特征,可及时调整信息传递路径,无需对整个模型进行大范围调整,对新拓扑结构具有较强的适应能力。本文基于图卷积神经网络构建空间特征感知基本模块,其数学表达式为

width=132.45,height=33.3 (4)

式中,width=43.45,height=13.6为第l个隐藏层的输入矩阵,n为量测点数,width=8.85,height=13.6为各量测点的采样点数;width=23.1,height=14.95为ReLU激活函数;width=11.55,height=14.25为邻接矩阵width=11.55,height=11.55与单位矩阵之和,即该节点可获取自身与周围节点的综合信息;width=12.25,height=14.25为邻接矩阵width=11.55,height=11.55对应的度矩阵;width=14.25,height=12.25为卷积层的权重矩阵。最终可得第l个隐藏层输出width=40.75,height=16.3

2.1.2 故障区段分类部分

时空图结构数据经时空图特征提取部分生成的故障特征作为故障区段分类部分的输入,首先通过数据展平层,在数据降维的同时降低参数量以减少计算复杂度。其次,通过3个线性层,将提取到的高维故障特征映射到包含故障区段信息的低维空间进行训练,其中线性层中引入批量归一化(Batch Normalization, BN)模块和丢弃层(Dropout)加速模型收敛。最后,将线性层的输出通过Softmax激活函数映射至[0, 1]区间,选取其中最大值所对应的标签(如故障区段的编号)作为故障区段定位结果。

2.2 可解释分析模块

本文结合时空图数据和梯度信息构建时空图卷积网络可解释分析模块,识别故障定位模型在决策过程中所关注的特征信息,并进一步对图节点的重要性开展评估,评估结果将从事后分析角度增强故障定位模型的决策可信度[26],如图4所示。具体步骤如下:

1)类激活损失更新

在含有width=8.85,height=10.2个量测点的拓扑中,每个量测点的采样通道数为width=11.55,height=10.2,采样点数为width=8.85,height=13.6,需要完成故障定位任务的配电网区段数为width=8.15,height=10.2,则时空图信息结构数据可表示为width=86.95,height=17width=48.25,height=13.6width=13.6,height=11.55作为可解释性阶段的输入,其标签为width=73.35,height=17。其中,width=14.25,height=14.95表示第width=6.8,height=12.25个量测点采集到的时序信号,width=10.2,height=14.95表示该信号对应的故障区段。

width=215.25,height=98.25

图4 可解释分析模块

Fig.4 Interpretability analysis module

进一步构建一个与经过训练的STGCN网络结构相同、保留训练权重参数的新STGCN网络,定义新的类激活损失函数width=23.1,height=14.95

width=95.75,height=29.9 (5)

式中,width=12.25,height=14.95width=14.25,height=14.95输入模型后最终分类输出,i =1~n;通过width=43.45,height=14.95函数获得的最终分类输出的最大值。以定义的类激活损失函数width=23.1,height=14.95作为新STGCN的损失函数进行模型训练,使每个量测点的预测结果width=12.25,height=14.95尽量接近width=10.2,height=14.95

2)空间权重图生成

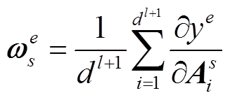
将时空图信息故障表征结构width=14.25,height=14.95输入以width=23.1,height=14.95为损失函数的新STGCN网络,计算第width=8.15,height=10.2个量测点对于最终分类结果的权重贡献width=14.25,height=16.3

width=71.3,height=31.25 (6)

式中,width=18.35,height=14.25为图卷积层的输出维度;width=13.6,height=16.3为分类输出为第width=8.15,height=10.2个区段的概率;width=38.05,height=16.3的物理意义是第width=8.15,height=10.2个量测点的第width=6.8,height=12.25个特征点对e区段分类结果的重要性。

计算可得第width=8.15,height=10.2个区段发生故障时,各量测点的权重向量width=14.25,height=16.3

width=94.4,height=19 (7)

根据式(7)所得width=14.25,height=16.3及拓扑邻接矩阵width=11.55,height=11.55,可构建如图4所示的空间权重图。通过图4中各节点的空间权重大小判断模型分类过程中节点量测信息对定位结果的影响。若计算得到某节点获较大的空间权重,则故障点位置距离该节点较近,反之则较远。若发生拓扑重构,则空间权重图的连接关系发生改变,可重新在STGCN模块中进行训练并分析分类结果混淆矩阵,即可验证该量测点信息对特定区段故障的重要性。

3 故障区段定位方案流程

本文基于时空图卷积网络构建的配电网故障区段定位及可解释分析方案整体流程如图5所示。在离线训练阶段,主要完成仿真建模、原始数据生成、数据预处理与标注、训练/测试集划分、模型训练与性能趋优任务;实际应用则包括线路信号采集、启动判据核对、模型加载与数据输入、可解释性分析。

width=221.25,height=305.25

图5 故障区段定位方案流程

Fig.5 Flow chart of fault section location program

3.1 原始数据获取与预处理

首先依据量测点空间关系构建邻接矩阵,用于描述拓扑图中各点之间的连接关系。然后截取各量测点采集到的三相电压、三相电流波形数据,无需经过复杂的信号处理过程,最大程度地保留原始故障特征(如式(1)所示)。时间窗截取故障发生时刻前1个周波、后2个周波,共计600个采样点。

为降低不同测点所得的不同电气量的数量级差异,对于时间序列width=61.8,height=17进行数据归一化,放缩至区间[-1,1]内,即

width=103.9,height=31.25 (8)

式中,width=16.3,height=14.95为电流时间序列i中的最大值;width=16.3,height=14.95为序列中的最小值;width=8.85,height=17为数据归一化后的值,则原始时间序列转变为width=63.15,height=21.75

3.2 模型训练与性能趋优

对原始数据进行预处理并生成邻接矩阵后,利用处理好的数据集离线训练出性能较优的深度学习模型。在训练阶段,对数据集按照4:1的比例随机划分训练集与测试集。其中,训练集用于训练模型的网络参数,并根据模型分类效果调整超参数以选取最优网络架构与模型性能。在训练过程中,使用交叉熵作为损失函数,用于量化模型输出结果和真实标签之间的差异;通过Adam优化器计算最小化损失函数,优化模型各层的权重和偏置,并检验模型收敛性。本文取初始学习率为width=19,height=14.25,衰减系数为0.5,衰减周期为3。最后,保存训练完毕且性能较好的故障定位模型用于后续应用。

3.3 模型启动及结果输出

在线运行时,各量测点采集各线路的三相电压、电流信号。同时,为避免重复检测、浪费计算资源,本文采用相电流突变量及零序过电流作为启动判据,即

width=167.75,height=21.75 (9)

width=93.05,height=18.35 (10)

式中,width=23.1,height=17为相电流通道在任意时刻width=10.2,height=14.95的有效值;width=14.95,height=14.95为正常运行时各相电流突变量最大值。式(10)是为防止高阻接地故障时相电流突变量启动元件灵敏度不足而设置,width=16.3,height=18.35width=15.6,height=18.35width=15.6,height=18.35分别为三相电流在任意时刻width=10.2,height=14.95的瞬时值;width=14.95,height=14.95为基准电流,本文取1A;width=17,height=14.95width=18.35,height=14.95为启动阈值,本文分别取0.2和0.1。

若某量测点电流信号满足上述启动判据要求,则以判据启动时刻为基准,将各量测点采集三相电压、电流以式(1)形式收集并进行数据预处理,调用离线训练保存好的故障定位模型进行判断,即可得到故障定位结果。

3.4 可解释性分析与结果校验

在可解释性分析阶段,利用可解释分析模块对故障定位模型的分类机制展开分析。首先,通过计算输入的时空特征归因值,定量评估单一量测点信息对模型输出的贡献,揭示模型对局部输入的敏感程度。然后,结合空间权重图从全局视角分析量测信息与输出故障区段类别间的关联性,以刻画不同空间特征分布对模型决策的影响。最后,通过结果校验环节,比较模型输出结果与可解释性分析所揭示的特征贡献规律,评估两者的一致性。若一致性较高,则进一步确认模型诊断结果的可靠性;若出现显著矛盾,即输出故障区段两侧的量测点权重差值低于原始阈值设定,则认为模型给出的输出结果置信度较低,此时触发人工介入,从流程的开始环节对整个决策过程进行深入审查,以明确潜在问题并校验模型诊断结果。上述步骤可有效地揭示模型的内在工作机制,并通过结果校验进一步提升模型输出结果的可信度,为优化故障定位性能和提升定位准确度提供重要依据。

4 仿真分析与算法验证

4.1 仿真算例介绍

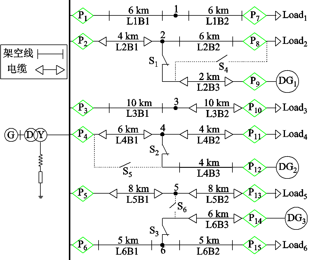
本文基于Matlab/Simulink搭建如图6所示 10 kV配电网仿真模型,包含电源、变压器、线路、负荷及分布式电源。其中,主变压器采用Dyn11联结,电压比为110 kV/10.5 kV,其中性点采用消弧线圈接地方式,补偿度为8%;线路L1B1、L1B2、…、L6B3长度与类型均已在图中标注,详细参数见表1;联络开关S1~S3为闭合状态,S4~S6为断开状态;分布式电源DG1~DG3均为并网状态且无出力波动;width=31.9,height=14.95为PMU装置,采样频率10 kHz,可采集高精度、带时标对齐的电压、电流波形数据。统一截取启动判据动作前后60 ms时间窗内的数据,其中故障前1个周波,故障后2个周波。

width=227.25,height=191.25

图6 10 kV配电网拓扑

Fig.6 Topology of 10 kV distribution system

表1 线路参数

Tab.1 Line parameters

类型相序电阻/(Ω·km-1)电感/(mH·km-1)电容/(μF·km-1) 架空线正序0.170 01.210 00.009 7 零序0.230 05.480 00.006 0 电缆正序0.265 00.255 00.170 0 零序2.540 01.019 00.153 0

4.2 仿真样本库生成

根据前述仿真设置,设定不同的故障类型、过渡电阻、故障初相角、负荷水平、故障线路与相对位置以模拟故障场景。具体故障案例的仿真样本参数见表2,共计生成1 620个故障样本。

表2 故障样本参数

Tab.2 Parameters of fault samples

类型参数数量 故障类型AG, BG, CG3 过渡电阻/Ω0.01, 10, 1003 故障初相角/(°)0, 45, 90, 1804 故障线路L1B1, L1B2, …, L6B315 相对位置(%)15, 40, 703

除上述故障样本外,通过改变不同负荷水平以获取正常运行样本。在每种情况下系统完全稳定的时刻为起点,以60 ms的时间窗长度,每隔10个测量点依次向后滑窗100次。具体正常运行样本参数见表3,共计生成300个正常运行样本。其中正常运行样本赋予标签0,线路L1B1, L1B2, …, L6B3故障样本分别赋予标签1, 2, …, 15。

表3 正常运行样本参数

Tab.3 Parameters of normal operation samples

类型参数数量 负荷/(MV·A)0.5+j0.2, 1+j0.6, 1.5+j0.753 滑动窗口10个测量点/次300

将上述1 920个样本顺序打乱后,按4:1的比例随机划分为训练集和测试集,并如式(11)所示的F1分数来对故障定位模型的分类效果进行评估。

width=89,height=93.05 (11)

式中,P为分类模型精确度;R为召回率;width=12.25,height=14.95为真阳性;width=13.6,height=14.95为假阳性;width=14.25,height=14.95为假阴性。F1分数可以兼顾分类模型精确度(Precision, P)和召回率(Recall, R),用来综合评估模型定位效果,可认为F1值越大,模型分类效果越好。因此,本文后续提及的模型定位性能均使用F1分数衡量。其中,真阳性(True Positive,TP)表示实际为正、预测也为正的样本;假阳性(False Positive, FP)表示实际为负,预测为正的样本;假阴性(False Negative, FN)表示实际为正,预测为负的样本。

4.3 模型性能分析

本文模型训练与测试实验均在Windows 11操作系统上完成,计算机配置为Inter(R) Core(TM) i7-14700F,2.10 GHz,内存32 GB,编程采用Python语言、基于PyTorch框架实现。

4.3.1 模型超参数设置与寻优

合理设计模型的层数对充分挖掘故障特征和提升模型性能具有重要意义。然而,过多的网络层数不仅会显著增加模型参数量与计算复杂度,还可能导致资源浪费与计算负担。为探究不同层数设计对模型性能的影响,本节对包含不同数量STGCN模块的模型进行训练,分析其在测试集上的损失与F1分数如图7所示。其中,STGCN1~STGCN4分别表示含有1~4个STGCN模块的模型结构。

width=219.75,height=89.25

图7 不同STGCN模块个数下的训练过程

Fig.7 Training process under different numbers of STGCN modules

由图7可知,当仅有1个STGCN模块时,模型收敛速度较慢,且定位准确率较低。随着STGCN模块数量的增加,模型的收敛速度逐步提升,损失曲线趋于平滑,且定位准确率显著提高。然而,当模块数量达到4个时,性能提升趋于饱和,且计算复杂度明显增加,边际收益减少。综合考虑模型性能与计算资源的开销,最终选取3个STGCN模块作为特征提取网络,以构建高效可靠的故障定位模型。

4.3.2 模型训练结果分析

基于3个STGCN模块的故障定位模型在训练集与测试集上的表现如图8所示。从图8可以观察到,模型的损失函数曲线在迭代至第160轮后基本趋于平稳,准确率曲线在测试集和训练集上也达到了较高的一致性,表明模型性能稳定。为进一步确保模型的泛化能力和测试结果的可靠性,本文选取第190轮迭代时生成的模型作为最终模型进行后续测试工作。

width=210,height=165

图8 模型训练过程

Fig.8 Model training process

为评估模型在测试集上的分类性能,导出其混淆矩阵如图9所示,其横轴和纵轴分别表示真实标签与模型预测结果。从图9可以看出,混淆矩阵各元素显著集中在对角线上,表明模型能够准确地识别不同类型的故障,具有较强的故障定位能力。同时表明模型的分类性能不受故障类型、过渡电阻及故障初相角的影响,验证了本文方案在多种故障条件下的鲁棒性与可靠性。

width=195.75,height=186

图9 混淆矩阵

Fig.9 Confusion matrix

为进一步验证所提方案的有效性,采用t分布随机近邻嵌入算法(t-distributed Stochastic Neighbor Embedding,t-SNE)对原始数据和经不同STGCN模块处理后的数据进行降维可视化,结果如图10所示。其中不同颜色代表不同类别,包括1种正常运行情况和15个故障区段;坐标轴仅代表数据降维后数据点在二维平面上的分布,无量纲。

width=216,height=164.25

图10 t-SNE可视化结果

Fig.10 Visualization result of t-SNE

由图10a可见,原始数据的类别0(即正常运行情况)与其他类别样本形成了较为明显的边界,但其他故障样本分布则较为散乱、不同类别样本混叠严重,难以形成清晰的分类边界。而分别经过图10b~图10d所示不同数量的STGCN模块处理后,各类样本逐渐分离,分类边界更加清晰且同类样本的聚类效果逐步提升,说明STGCN模块能够有效提取故障并增强分类能力。特别是在经过3个STGCN模块后,模型效果达到最佳,不仅正常运行情况与故障情况样本完全分离,且其余各区段故障样本间的边界也更加鲜明(即同类样本在降维空间中的聚类分布更加紧密、不同类别间的样本分离度显著提高)。这表明所提模型可充分提取故障特征,增强各类样本间的区分度,在故障定位任务中表现出优越的特征提取与分类能力。

4.4 有效性分析

为测试模型在配电网复杂运行环境下的适应能力,本节从分布式电源变化、噪声干扰与数据缺失、拓扑重构三个方面对模型性能进行验证。

4.4.1 分布式电源变化的影响

考虑到分布式电源并/离网频繁变化及新能源出力波动对配电网带来的不确定性,本节设计如表4所示情景以验证所提方案的泛化能力。其中,情景序号0为原始对照组;“1/0”分别表示分布式电源的并/离网状态;将并网分布式电源的出力设置在一定范围内波动,并设置不同的出力倍率以模拟新能源出力的随机性。其他参数同表2设置,各情景测试样本共计180个。

表4 分布式电源对模型效果的影响

Tab.4 Model performance under the influence of DG

情景序号分布式电源并/离网状态波动范围F1分数(%) DG1DG2DG3 0111无94.74 11110.3~0.891.87 21100.4~0.792.75 31010.3~0.892.56 40110.4~0.892.67 51000.4~0.894.09 60100.4~0.794.96 70010.3~0.893.31 8000无95.23

从表4可以看出,在分布式电源并/离网运行或出力波动的情况下,模型定位效果虽会出现一定程度波动,但整体故障定位效果仍可保持在90%以上,表明所提方案具备较强的适应能力,能够在面对分布式电源引发的出力不确定性时保持稳定的性能。

4.4.2 噪声干扰与数据缺失的影响

由于传感器故障及信号干扰不可避免,量测信号可能含有不同程度的噪声污染与数据缺失。因此,本小节设置七种情景,以验证本文所提方案在噪声干扰与数据缺失情况下的鲁棒性。其中,情景序号0为原始对照组;情景1~3为噪声干扰测试,分别向测试集所含各故障场景下的样本中添加不同水平的高斯白噪声;情景4~5为数据缺失测试,将样本采样值缺失一定比例,即随机选择采样点置零处理。上述各情景的测试样本共计180个。噪声干扰与数据缺失对模型效果的影响见表5。

表5 噪声干扰与数据缺失对模型效果的影响

Tab.5 Model performance under the influence of noise disturbance and data loss

情景序号情景设置F1分数(%) 0无94.74 130 dB高斯白噪声93.75 220 dB高斯白噪声93.23 315 dB高斯白噪声92.19 40.1%数据缺失94.08 50.5%数据缺失93.54 61%数据缺失91.56

由表5可知,随着噪声信噪比的降低,模型的定位准确率下降至92.19%,表明量测噪声对模型性能存在一定影响。而在存在一定比例数据缺失的情况下,模型的故障定位准确率仍保持在90%以上,说明本文方案对数据缺失具有较强的鲁棒性。而在实际应用中,可通过对输入数据进行去噪、插值填补数据缺失等数据预处理操作,进一步提升数据质量,从而确保诊断结果的可靠性与稳定性。

4.4.3 拓扑重构的影响

为提高供电可靠性、降低线损,配电网拓扑重构频繁,而网络变化导致线路参数、运行方式发生变化,对现有故障定位模型的适应能力造成一定挑战。为此,本节设计八类情景以验证所提方案在拓扑重构情况下的有效性。其中,情景序号0为原始对照组;后续情景均在原始对照组基础上改变开关闭合状态,以模拟拓扑重构场景。其他参数同表2设置,选择各情景的测试样本共计180个。拓扑重构对模型效果的影响见表6。

表6 拓扑重构对模型效果的影响

Tab.6 Model performance under the influence of topology change

情景序号情景设置F1分数(%) 0闭合开关S1~S394.74 1断开S1、闭合S493.27 2断开S2、闭合S593.14 3断开S3、闭合S692.90 4断开S1和S2、闭合S4和S592.66 5断开S1和S3、闭合S4和S691.58 6断开S2和S3、闭合S5和S691.37 7断开S1~S3、闭合S4~S690.23

从表6可知,不同程度的拓扑结构变化情景下,模型定位效果虽有一定波动,但仍然呈现良好的泛化能力。具体来看,在拓扑结构轻微变化情景下(情景1~3),模型的准确率几乎不受影响;而在较大或极端拓扑变化时(如情景4~7),虽然模型准确率有所下降,但依然维持在90%以上,可见本文所提方案对拓扑重构具有良好的适应能力。而在实际应用时,可将拓扑重构情景下的数据样本纳入训练过程或通过迁移学习等手段微调模型参数以进一步提升模型在拓扑重构情况下的性能表现。

4.5 与其他方案的性能对比

为验证本文模型相对于其他典型故障定位方案在“端到端”训练建模条件下的性能优势,利用当前典型故障定位方案中的模型(无其他特征提取步骤),选择本文表6中拓扑重构的4种情景、各情景的测试样本180个,对比各个故障定位模型的性能,结果见表7。

表7 不同方法效果对比

Tab.7 Classification performance under different method (%)

方案情景序号 0257 ANN75.5254.3646.3039.52 CNN88.7470.8559.4656.35 LSTM92.3388.8970.5266.85 GCN95.4190.9678.1573.37 本文方案94.7493.1491.5890.23

由表7可以看出,由于故障特征提取能力有限,ANN模型表现不佳,与其他方案相比有较大差距。而CNN的特征表达能力相对较好,但在仅依靠原始数据、未借助额外信号处理方法对数据进行前置特征提取的情况下,难以充分挖掘电气量中的抽象故障特征,导致故障定位效果一般。对于LSTM和GCN方案,分别提取输入信号量蕴含的时间和空间特征,其故障定位效果有所提升。本文方案所得故障定位效果明显优于前述方案,且在拓扑重构场景下取得90%以上的准确率,主要得益于本方案结合量测装置间的空间位置关系与电气信号的时序信息,实现时空图特征的深度融合,可以通过“端到端”范式建立输入信号与故障区段的映射关系,在无需人工特征提取的基础上实现高精度故障定位,且可在拓扑变化频繁的综合故障场景下保持泛化能力。

4.6 可解释分析

4.6.1 测试样本可解释分析

使用本文所提可解释分析模块可求得任意线路在正常或故障工况下的量测点权重值(见附表1),从而分析模型判断逻辑与决策依据。以线路L4B2故障为例,选择某一工况下的时空图结构数据,按图4步骤输入后可得空间权重图如图11所示。

width=216.75,height=141

图11 线路L4B2故障时的空间权重图

Fig.11 Spatial weight graph during line L4B2 fault

由图11可以看出,在量测点P4、P11和P12处获得较大的权重,即这三个量测点的数据特征对判断此线路区段故障做出了较大的贡献,且P11处的权重贡献值最大,因而可判断线路L4B2故障。分析上述结果可知,三个量测点位置与对应故障线路较近,故障传播路径相对其他量测点更短,可获得最明显的故障特征,从而对模型做出相应位置故障的决策贡献度较大。

上述分析已给出在实际标签和模型预测标签一致情况下的真阳性样本分析结果。然而在模型有效性验证环节对模型误判情况下进行详细分析是传统人工智能方案的一项弊病,即难以对人工智能模型普遍存在的“黑箱问题”进行可解释分析,难以明晰模型的决策逻辑。而本文所提方案可对模型误判情况进行溯源,从而能更全面地了解模型给出预测结果的内在原因。针对图9混淆矩阵中展示的10个误判案例,使用可解释分析模块求解上述案例的量测点权重值,见附表2。

从上述误判案例可以看出,在某些复杂运行场景下,相邻线路故障状态的电气信息表征较为相似,仅依靠单点量测难以区分其故障特性,需要依靠量测点之间的互补性特征来提高分类准确性,进一步可以发现,附表2中展示的误判样例量测点权重值较接近(约差1×10-5),在这一情况下模型易给出误判结果。出现上述现象的原因在于,深度学习模型是基于数据学习概率分布的,当其面临相近权重值的情况时,意味着样本处于不同类别的决策边界,模型容易对自身预测结果产生较低的置信度和高度的不确定性,从而增加误判风险。

因此,对于上述输出故障区段两侧的量测点权重值低于原始阈值设定的样本,可认为模型给出的输出结果置信度较低,此时触发人工介入,从流程的开始环节对整个决策过程进行深入审查,以明确潜在问题并校验模型诊断结果。

4.6.2 拓扑重构样本分析

当拓扑重构发生(即断开S2、闭合S5)时,切断量测点P11与P12之间的连接关系,修改输入的邻接矩阵,并将时空图结构数据输入STGCN模块进行测试,导出故障定位模型在测试集上的混淆矩阵如图12所示。对比图9和图12可知,当邻接矩阵修改后,除产生额外3个线路L4B2故障(真实标签为9)的样本误判为线路L4B3故障(预测结果为10)的情况外,其余线路的判断结果不变。

进一步分析模型给出上述决策的内在原理,导出线路L4B2故障、模型判断正确的样本所对应的空间权重图如图13所示,其中量测点P11与P12之间的连接关系已被切断。可以看出,量测点P4、P11和P12处仍然可获得较大的权重,其他量测点处的权重值为0,此时模型输出的故障区段范围可缩小至3个量测点之间;同时P11处权重仍然为三者中的最大值,说明拓扑重构发生并不影响模型给出正确判断。通过上述步骤可量化各量测点信息在输出结果中的贡献度,为提升故障定位模型输出结果的可靠性提供重要依据。

width=203.25,height=192

图12 混淆矩阵

Fig.12 Confusion matrix

width=216.75,height=141.75

图13 邻接矩阵修改后线路L4B2故障时的空间权重图

Fig.13 Spatial weight graph during line L4B2 fault after adjacency matrix modification

5 结论

本文针对复杂运行场景下配电网故障定位区段问题,提出了一种融合时空图信息的配电网故障区段定位方法,并对模型决策依据与内在工作机制进行事后可解释性分析,得到以下结论:

1)本文所提基于STGCN的故障定位方案精度可达94.74%,优于CNN、LSTM和GCN等功能单一的故障定位方案,体现了模型对于配电网时空图结构数据充分的故障特征提取能力。

2)在新能源出力波动、噪声干扰及拓扑重构等复杂运行场景下,所提故障定位方案具有较好的泛化能力,可为解决动态运行的配电网故障定位问题提供有效的解决方案。

3)本文设计的可解释分析模块可量化各量测点信息在输出结果中的贡献度,通过重构空间权重图验证故障区段定位的合理性,为增强配电网故障定位方案的可解释性提供新的研究思路。

本文所提故障定位方案可依据量测点权重值将故障位置锁定在量测点之间,后续将在此基础上,依据量测波形信息建立故障精准测距方案,从而为辅助运维人员后续开展故障清除、恢复供电等工作提供有效支撑。

附 录

附表1 各线路故障时的量测点权重值

App.Tab.1 Weight values of each measurement point during faults of various lines

标签故障线路量测点权重值 / 10-5 P1P2P3P4P5P6P7P8P9P10P11P12P13P14P15 1L1B113.802.2800.0209.0300000000 2L1B23.810000012.100000000 3L2B104.78000.490.611.073.993.990.19001.6200 4L2B209.680000016.011.9000000 5L2B3011.20000014.315.1000000 6L3B101.3711.900000011.100000 7L3B2008.95000.1000014.400000 8L4B11.5201.692.391.6400001.182.102.671.6400 9L4B20009.5500000015.212.3000 10L4B30.01007.8400000011.112.2000 11L5B12.0303.1109.0801.46000.46006.7000 12L5B2000011.0000000022.600 13L6B11.990.501.4102.175.6800.0601.25001.433.911.8 14L6B20000.0904.6401.47000006.617.78 15L6B3000009.4500.050000013.712.5

附表2 误判样例量测点权重值

App.Tab.2 Weight values of each measurement point for misjudging examples

故障线路预测结果量测点权重值 / 10-5 P1P2P3P4P5P6P7P8P9P10P11P12P13P14P15 L1B1L1B22.771.5600002.9300000000 L1B2L1B111.700.4200010.9002.59001.6200 L2B2L2B109.2200.371.21008.758.93000000 L2B3L2B1010.11.9400009.419.64003.74000 L2B3L2B2012.503.8700013.412.9002.91000 L3B1L3B2008.420000.44008.9500000.18 L3B2L3B10011.8002.1900011.001.35000 L4B2L4B30006.940000006.387.18000 L6B2L6B1000006.6300000006.525.96 L6B2L6B3000.84009.74001.37000011.110.7

参考文献

[1] 盛万兴, 刘科研, 李昭, 等. 新型配电系统形态演化与安全高效运行方法综述[J]. 高电压技术, 2024, 50(1): 1-18. Sheng Wanxing, Liu Keyan, Li Zhao, et al. Review of basic theory and methods of morphological evolution and safe & efficient operation of new distribution system [J]. High Voltage Engineering, 2024, 50(1): 1-18.

[2] 罗国敏, 谭颖婕, 吴梦宇, 等. 考虑电压跌落差异的有源配电网功率差动保护[J]. 电工技术学报, 2025, 40(4): 1287-1306. Luo Guomin, Tan Yingjie, Wu Mengyu, et al. Power differential protection for active distribution networks considering voltage drop differences[J]. Transactions of China Electrotechnical Society, 2025, 40(4): 1287-1306.

[3] 詹惠瑜, 刘科研, 盛万兴, 等. 有源配电网故障诊断与定位方法综述及展望[J]. 高电压技术, 2023, 49(2): 660-671. Zhan Huiyu, Liu Keyan, Sheng Wanxing, et al. Review and prospects of fault diagnosis and location method in active distribution network[J]. High Voltage Engineering, 2023, 49(2): 660-671.

[4] 齐郑, 黄朝晖, 陈艳波. 基于零序分量的阻抗法配电网故障定位技术[J]. 电力系统保护与控制, 2023, 51(6): 54-62. Qi Zheng, Huang Zhaohui, Chen Yanbo. Impedance fault location technology for a distribution network based on a zero-sequence component[J]. Power System Protection and Control, 2023, 51(6): 54-62.

[5] 王小君, 任欣玉, 和敬涵, 等. 基于μPMU相量信息的配电网络故障测距方法[J]. 电网技术, 2019, 43(3): 810-818. Wang Xiaojun, Ren Xinyu, He Jinghan, et al. Distribution network fault location based on μPMU information[J]. Power System Technology, 2019, 43(3): 810-818.

[6] Deng Feng, Zhong Yihan, Zeng Zhe, et al. A single-ended fault location method for transmission line based on full waveform features extractions of traveling waves[J]. IEEE Transactions on Power Delivery, 2023, 38(4): 2585-2595.

[7] 郑雨霖, 郭谋发, 陈方旭, 等. 不依赖同步对时的配电网接地故障双端行波测距方法及其误差分析[J]. 电工技术学报, 2025, 40(15): 4860-4873. Zheng Yulin, Guo Moufa, Chen Fangxu, et al. A double-terminal traveling wave grounding fault location scheme in distribution networks independent of time synchronization and its error analysis[J]. Transactions of China Electrotechnical Society, 2025, 40(15): 4860-4873.

[8] 邢晓东, 石访, 张恒旭, 等. 基于同步相量的有源配电网自适应故障区段定位方法[J]. 电工技术学报, 2020, 35(23): 4920-4930. Xing Xiaodong, Shi Fang, Zhang Hengxu, et al. Adaptive section location method for active distribution network based on synchronized phasor measurement [J]. Transactions of China Electrotechnical Society, 2020, 35(23): 4920-4930.

[9] 和敬涵, 罗国敏, 程梦晓, 等. 新一代人工智能在电力系统故障分析及定位中的研究综述[J]. 中国电机工程学报, 2020, 40(17): 5506-5516. He Jinghan, Luo Guomin, Cheng Mengxiao, et al. A research review on application of artificial intelligence in power system fault analysis and location[J]. Proceedings of the CSEE, 2020, 40(17): 5506-5516.

[10] Jamali S, Bahmanyar A, Ranjbar S. Hybrid classifier for fault location in active distribution networks[J]. Protection and Control of Modern Power Systems, 2020, 5(1): 17.

[11] 褚旭, 鲍泽宏, 许立强, 等. 基于时序卷积残差网络的主动配电系统线路短路故障诊断方案[J]. 电工技术学报, 2023, 38(8): 2178-2190. Chu Xu, Bao Zehong, Xu Liqiang, et al. Fault line diagnosis scheme of active distribution system based on time-sequence convolution residual network[J]. Transactions of China Electrotechnical Society, 2023, 38(8): 2178-2190.

[12] Zhao Meng, Barati M. A real-time fault localization in power distribution grid for wildfire detection through deep convolutional neural networks[J]. IEEE Transactions on Industry Applications, 2021, 57(4): 4316-4326.

[13] Luo Guomin, Shang Boyang, Wang Xiaojun, et al. Intelligent location method with limited measurement information for multibranch distribution networks[J]. IEEE Transactions on Instrumentation and Measurement, 2024, 73: 2508815.

[14] Li Zijing, Lin Shuyue, Guo Moufa, et al. A decentralized fault section location method using autoencoder and feature fusion in resonant grounding distribution systems[J]. IEEE Systems Journal, 2022, 16(4): 5698-5707.

[15] 何小龙, 高红均, 黄媛, 等. 基于一维卷积和图神经网络的配电网故障区段定位方法[J]. 电力系统保护与控制, 2024, 52(17): 27-39. He Xiaolong, Gao Hongjun, Huang Yuan, et al. Fault section location for a distribution network based on one-dimensional convolution and graph neural networks [J]. Power System Protection and Control, 2024, 52(17): 27-39.

[16] 李佳玮, 王小君, 和敬涵, 等. 基于图注意力网络的配电网故障定位方法[J]. 电网技术, 2021, 45(6): 2113-2121. Li Jiawei, Wang Xiaojun, He Jinghan, et al. Distribution network fault location based on graph attention network[J]. Power System Technology, 2021, 45(6): 2113-2121.

[17] 王小君, 窦嘉铭, 刘曌, 等. 可解释人工智能在电力系统中的应用综述与展望[J]. 电力系统自动化, 2024, 48(4): 169-191. Wang Xiaojun, Dou Jiaming, Liu Zhao, et al. Review and prospect of explainable artificial intelligence and its application in power systems[J]. Automation of Electric Power Systems, 2024, 48(4): 169-191.

[18] 陈晓龙, 孙丽蓉, 李永丽, 等. 基于图注意力网络和一致性风险控制的配电网故障区段定位方法[J]. 电网技术, 2023, 47(12): 4866-4877. Chen Xiaolong, Sun Lirong, Li Yongli, et al. A fault section location method based on graph attention network and conformal risk control in distribution network[J]. Power System Technology, 2023, 47(12): 4866-4877.

[19] 黄南天, 程铎, 蔡国伟. 基于改进时空图神经网络的高渗透率有源配电网故障定位[J]. 电力系统自动化, 2025, 49(10): 112-122. Huang Nantian, Cheng Duo, Cai Guowei. Fault location for active distribution network with high penetration rate based on improved spatio-temporal graph neural network[J]. Automation of Electric Power Systems, 2025, 49(10): 112-122.

[20] 李泽文, 夏翊翔, 吴国瑞, 等. 基于时空数据立方体的配电网故障辨识方法[J/OL]. 中国电机工程学报, 2024: 1-10. (2024-12-03). https://link.cnki.net/ doi/10.13334/j.0258-8013.pcsee.241276. Li Zewen, Xia Yixiang, Wu Guorui, et al. Fault identification method for distribution networks based on spatio-temporal data cube[J/OL]. Proceedings of the CSEE, 2024: 1-10. (2024-12-03). https://link. cnki.net/doi/10.13334/j.0258-8013.pcsee.241276.

[21] Yan Sijie, Xiong Yuanjun, Lin Dahua. Spatial temporal graph convolutional networks for skeleton-based action recognition[J]. Proceedings of the AAAI Conference on Artificial Intelligence, 2018, 32(1): 7444-7452.

[22] Yu Bing, Yin Haoteng, Zhu Zhanxing. Spatio-temporal graph convolutional networks: a deep learning framework for traffic forecasting[C]//Proceedings of the Twenty-Seventh International Joint Conference on Artificial Intelligence, Stockholm, Sweden, 2018: 3634-3640.

[23] 庄颖睿, 肖谭南, 程林, 等. 基于时空图卷积网络的电力系统暂态稳定评估[J]. 电力系统自动化, 2022, 46(11): 11-18. Zhuang Yingrui, Xiao Tannan, Cheng Lin, et al. Transient stability assessment of power system based on spatio-temporal graph convolutional network[J]. Automation of Electric Power Systems, 2022, 46(11): 11-18.

[24] 杜东来, 韩松, 荣娜. 基于时空图卷积网络和自注意机制的频率稳定性预测[J]. 电工技术学报, 2024, 39(16): 4985-4995. Du Donglai, Han Song, Rong Na. Frequency stability prediction method based on modified spatial temporal graph convolutional networks and self-attention[J]. Transactions of China Electrotechnical Society, 2024, 39(16): 4985-4995.

[25] 张鹏飞, 胡博, 何金松, 等. 基于时空图卷积网络的短期空间负荷预测方法[J]. 电力系统自动化, 2023, 47(13): 78-85. Zhang Pengfei, Hu Bo, He Jinsong, et al. Short-term spatial load forecasting method based on spatio-temporal graph convolutional network[J]. Automation of Electric Power Systems, 2023, 47(13): 78-85.

[26] 温楷儒, 陈祝云, 黄如意, 等. 基于可解释时空图卷积网络的多传感数据融合诊断方法[J]. 机械工程学报, 2024, 60(12): 158-167. Wen Kairu, Chen Zhuyun, Huang Ruyi, et al. Multi-sensor data fusion diagnosis method based on interpretable spatial-temporal graph convolutional network[J]. Journal of Mechanical Engineering, 2024, 60(12): 158-167.

Research on Fault Section Location Method in Distribution Networks Integrating Spatio-Temporal Graph Information and Interpretability

Liu Changyu Wang Xiaojun Zhang Dahai Liu Zhao Shang Boyang Dou Jiaming

(School of Electrical Engineering Beijing Jiaotong University Beijing 100044 China)

Abstract With the continuous advancement of the Carbon Peaking and Carbon Neutrality Goal and the construction of new power systems, the high penetration of distributed generation, power electronic devices/loads makes the transition from traditional distribution networks to new distribution systems an inevitable trend. Under complex operational scenarios such as renewable energy output fluctuations and frequent topology reconfigurations, improving the accuracy and interpretability of existing AI-based fault diagnosis and location schemes for distribution networks has become an urgent challenge. To address this issue, this paper proposes a spatiotemporal graph-based fault section location and interpretability analysis method for distribution networks.

Firstly, generators (or buses), loads, and other components in the distribution network are abstracted as nodes, and each line is abstracted as an edge. Based on the spatial relationships of measurement points, a spatiotemporal graph structure dataset for the distribution network is constructed, integrating temporal continuity and spatial integrity.

Secondly, a fault location model based on spatio-temporal graph convolution (STGCN) is developed. This model extracts implicit spatiotemporal features through a temporal information capture basic block (TIC-Block) and a spatial feature perception basic block (SFP-Block). The mapping relationship between high-dimensional features and fault sections is then depicted via a segment classification module.

Then, an interpretability analysis module is designed, generating a spatial weight map of measurement points. This enables post-hoc interpretability analysis of the model's decision basis and internal mechanisms, thereby verifying the fault location results.

Finally, a typical distribution system simulation model is constructed in Matlab/Simulink to validate the proposed method, the following conclusions were drawn: (1) The proposed STGCN-based fault location scheme achieves an accuracy of 94.74%, outperforming single-function schemes such as CNN, LSTM, and GCN. This highlights the model’s ability to effectively extract fault features from the spatiotemporal graph structure data of distribution networks.(2)Under complex operating scenarios such as renewable energy output fluctuations, noise interference, and topology reconfigurations, the proposed fault location scheme demonstrates strong generalization capability, providing an effective solution for fault location in dynamically operating distribution networks.(3) The interpretability analysis module designed in this paper quantifies the contribution of each measurement point to the output results by reconstructing the spatial weight map, thereby verifying the rationality of fault section location.

The results show that compared to existing similar methods, the proposed scheme maintains excellent generalization capability under complex operational scenarios such as distributed generation variations, noise interference and data loss, and topology reconfigurations. It demonstrates high location accuracy, strong robustness, and good interpretability, offering a new research perspective for enhancing the interpretability of fault location schemes in distribution networks.

keywords:Distribution network, fault location, topology change, spatio-temporal graph convolutional network (STGCN), interpretability

DOI: 10.19595/j.cnki.1000-6753.tces.250260

中图分类号:TM726

国家自然科学基金资助项目(52377071)。

收稿日期 2025-02-20

改稿日期 2025-03-07

作者简介

刘畅宇 男,1997年生,博士研究生,研究方向为人工智能在配电网故障诊断中的应用。E-mail:20121459@bjtu.edu.cn

王小君 男,1978年生,教授,博士生导师,研究方向为综合能源系统优化运行、配电网故障诊断等。E-mail:xjwang1@bjtu.edu.cn(通信作者)

(编辑 郭丽军)