摘要 在极端工况下,三电平有源中点钳位(ANPC)逆变器可能出现开路故障,此时小矢量的冗余状态被打破,传统调整冗余小矢量作用时间的均压方法将失效,即使在容错运行下,仍然存在中点(NP)电位不均衡问题。为解决该问题,首先,分析将故障相桥臂钳位到零电平的拓扑工作原理,在此基础上,推导容错下叠加零序分量的三相调制波,从而简化矢量作用时间的计算过程;其次,进一步分析容错下小矢量作用时间的变化对NP电流的影响,根据平移调制波与改变小矢量作用时间的对应关系,提出一种基于平移调制波的电压平衡(VBBTM)策略;接着,采用电荷平衡法,定量计算调制波的平移量;最后,深入分析VBBTM策略对中点电位波动幅值、电流不平衡度以及目标电压矢量的影响,并通过仿真和实验验证了所提策略在三电平ANPC逆变器不同相器件故障、同相不同位置器件故障以及不同调制比条件下的有效性。
关键词:有源中点钳位逆变器 开路故障 容错控制 平移调制波 中点电位平衡
中点钳位(Neutral-Point-Clamped, NPC)逆变器是最成熟的多电平逆变器之一,并在过去几十年中被许多企业成功地商业化。NPC逆变器由于其结构简单,已被广泛应用于风机、压缩机等中压电机驱动场景中[1-2]。然而,直流侧电容电压的平衡始终是NPC逆变器面临的主要技术挑战之一,这一问题通常可以通过注入零序电压来解决[3-5]。此外,由于功率器件的使用差异,NPC逆变器中的开关器件可能出现功率损耗不均的问题,从而限制了其功率等级的提升。为了解决这一问题,文献[6]提出了有源中点钳位(Active Neutral-Point-Clamped, ANPC)逆变器,通过采用有源开关管代替传统的钳位二极管,从而实现功率损耗的均衡分配。ANPC逆变器凭借更高的电流质量、更优的输出电压特性以及较低的器件电压应力,已成为高压大功率应用领域的研究热点[7-8]。
受当前电力电子技术限制,逆变器的可靠性显著低于机电装置的其他部分,因此容错能力成为ANPC逆变器面临的关键挑战之一[9-11]。在逆变器的各种故障中,功率开关管故障最为常见,约占故障总数的38%[12]。由于ANPC逆变器中功率开关管数量较多,当单个或多个开关管发生开路故障时,逆变器的输出电压等级会显著降低。针对ANPC逆变器的容错控制问题,文献[13]提出了一种基于载波脉宽调制(Carrier-Based Pulse Width Modulation, CBPWM)技术的方法。该方法无需增加冗余桥臂,而是通过调整调制信号,将三电平ANPC逆变器划分为4个子逆变器,实现容错控制。这种方法在提高系统可靠性和减少硬件复杂性方面具有显著优势。
目前,连接直流侧中点的方法已被广泛应用于三电平ANPC逆变器的容错控制中[14-16],该方法通过在逆变器中增加双向晶闸管和快速熔断器,并利用器件自身的冗余,快速完成故障隔离。该技术无需额外增加功率器件,复杂度相对较低,因而具有较高的实用性。在实施容错控制时,需要将逆变器的故障相与电容中点相连接,使故障相位锁定在O电平状态[17]。然而,三电平逆变器固有的中点电位(Neutral Point, NP)不平衡问题,会在上述方法中进一步加剧。这种不平衡不仅会降低输出电压波形的质量,还会削弱逆变器的输出能力,同时增加功率开关器件的电压应力,并缩短直流侧电容的使用寿命。为缓解NP电压不平衡,通常需要增大直流侧电容的容量。然而,这将显著增加逆变器的体积和成本,从而对系统设计提出更高的要求[18]。
为了在不增加直流侧电容的情况下实现三电平逆变器的中点电位NP平衡,文献[19]提出了一种虚拟零矢量策略。该方法通过将三对相反的小矢量等效为零矢量,并根据不同的电压和电流条件选择对应的小矢量来实现均压控制。然而,当调制比为0.5时,零矢量的作用时间为零,该方法失效。此外,该策略还可能引发两电平的跳变问题。文献[20]在容错控制模式下,考虑了NP电压波动对基本电压矢量的影响,并提出了一种改进的空间矢量脉宽调制(Space Vector PWM, SVPWM)方法。该方法能够有效地抑制输出电压的三相不平衡,但对NP电压的不平衡问题仍无明显改善。类似地,文献[21]通过深入分析NP电位发散的原因,提出了一种参考电压补偿策略以控制NP电位,并引入滞环控制器以减小补偿量对系统性能的影响。尽管该方法在一定程度上缓解了NP电压的不平衡,但仍存在进一步优化的空间。文献[22]针对三电平ANPC逆变器在开路故障下的容错控制问题,提出了一种基于切换调制波的优化容错技术,通过调整主小矢量的作用时间,结合PI控制器和滞环控制策略,动态修正调制波幅值,抑制中点电压偏移,但是PI控制器参数需根据具体系统调试,缺乏通用性。文献[23]提出了一种基于双信号PWM的统一容错控制和中点电压平衡策略,适用于三电平T型逆变器在多种开路故障下的场景,通过调整零电平作用时间,解决了传统调制方法在半桥开关故障下自由度不足的问题,显著提升中点电压的调节能力,但是会增加系统的开关损耗。文献[24]通过注入与相位相关的直流分量,调节中性点电流方向,控制上下电容的充放电平衡,并结合PI控制器,动态调整电压偏移量以实现稳态平衡,但是控制算法依赖精确的相位检测和实时调整,对控制器计算能力要求较高,可能增加系统成本。
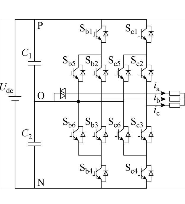
三电平ANPC逆变器主电路拓扑结构如图1所示。本文首先分析了将故障相桥臂钳位到零电平的拓扑工作原理,推导了容错下叠加零序分量的三相调制波;其次分析了容错下小矢量作用时间的变化对NP电流的影响,根据平移调制波与改变小矢量作用时间的对应关系,提出了一种基于平移调制波的电压平衡(Voltage Balancing Based on Translational Modulation wave, VBBTM)策略;然后,采用电荷平衡法定量计算调制波的平移;最后,系统地分析了VBBTM策略对NP电位波动幅值、电流不平衡度以及目标电压矢量的影响,并通过仿真和实验验证了VBBTM策略的有效性。
图1 三电平ANPC逆变器主电路拓扑
Fig.1 Main circuit topology of three-level ANPC inverter
三电平ANPC逆变器包含18个功率开关管,如图1所示,其中Sx1~Sx6为每相桥臂的6个功率开关管,x=a, b, c,C1和C2为直流侧的两个电容,ia、ib和ic为三相电流。在三电平ANPC正常工作模式下,电路能产生三种电平状态,分别为正电平(P)、零电平(O)和负电平(N)状态。
在三电平ANPC逆变器中,通过功率开关的组合可产生27个空间矢量。根据矢量长度,这些矢量可分为四类:6个大矢量、6个中矢量、12个小矢量和3个零矢量。其中,12个小矢量进一步细分为6个P型小矢量和6个N型小矢量。具体的矢量分类见表1,空间矢量示意图如图2所示,图2中,r为逆变器在线性调制区域内的最大内切圆半径。
表1 ANPC逆变器空间矢量分类
Tab.1 Space vector classification of ANPC inverter
矢量类型对应空间矢量矢量幅值 大矢量PNN/PPN/NPN/NPP/NNP/PNP2Udc/3 中矢量PON/OPN/NPO/NOP/ONP/PNOUdc/3 P型小矢量POO/PPO/OPO/OPP/OOP/POPUdc/3 N型小矢量ONN/OON/NON/NOO/NNO/ONOUdc/3 零矢量OOO/PPP/NNN0
图2 三电平ANPC逆变器空间电压矢量
Fig.2 Space voltage vector of three-level ANPC inverter
逆变器的功率开关管发生开路故障会引发一系列问题,包括开关状态异常切换、输出电平异常转换以及电容电压畸变等。电流方向为正时开路故障对ANPC逆变器电流流通路径的影响如图3所示。当a相功率开关管Sa1发生开路故障且电流方向为正时,逆变器将无法输出P电平。此时,电流路径由原本的Sa1—Sa2通路改变为VDa5—Sa2,输出转变为O电平状态。
图3 电流方向为正时开路故障对ANPC逆变器电流流通路径的影响
Fig.3 Effect of open-circuit fault on ANPC inverter current path when current direction is positive
类似地,当Sa2发生开路故障且电流方向为正时,逆变器同样无法输出P电平。此时,电流路径由原来的Sa1—Sa2畸变为Sa6—VDa3,输出为O电平。而当Sa5发生开路故障且电流方向为正时,逆变器能够正常输出O电平,其电流路径为VDa5—Sa2。
特定开关状态下的电流路径和输出电压的畸变会直接引起直流侧电容电压的偏差。图4展示了在Sa4开关管发生故障时,逆变器输出电压与电流的畸变情况以及直流侧电容电压的偏差情况。
根据上述逆变器故障特性分析可知,当三电平ANPC逆变器无法输出P电平或N电平时,由于电流路径的畸变,输出电压将改变为O电平。因此,通过采用连接直流侧母线NP的容错方法,可以将故障相钳位至O电平,从而实现容错控制。
图4 Sa4开路故障对ANPC逆变器输出电压、电流的影响
Fig.4 Effect of Sa4 open-circuit fault on ANPC inverter output voltage and current
以a相为例,三电平ANPC逆变器a相开路容错拓扑如图5所示。无论是单管故障、双管故障甚至整相桥臂故障,都可以通过导通双向晶闸管,将a相输出端子与电容NP相连,从而使a相钳位在O电平,实现容错运行,其他故障相同理。
图5 三电平ANPC逆变器a相开路容错拓扑
Fig.5 Three-level ANPC inverter phase-a open-circuit fault-tolerant topology
当三电平逆变器a相发生故障时,将a相钳位至O电平。故障容错后的空间电压矢量如图6所示,系统仅保留一个零矢量、6个小矢量和2个中矢量。在传统的SVPWM方法中,通常采用最近三矢量法来合成参考电压,各扇区的基本电压矢量作用时间见表2,其中m=
Uref/Udc。
图6 故障容错控制下空间电压矢量示意图
Fig.6 Schematic of space voltage vector under fault tolerance control
表2 故障容错控制下各扇区基本电压矢量作用时间
Tab.2 Fundamental voltage vector dwell time in each sector under fault tolerance control
扇区矢量T1矢量T2 1OON2mTssinqONN2mTssin(p/3-q) 2OPO-2mTssin(p/3-q)OON2mTssin(p/3+q) 3OPP-2mTssin(p/3+q)OPO2mTssinq 4OOP-2mTssinqOPP-2mTssin(p/3-q) 5ONO2mTssin(p/3-q)OOP-2mTssin(p/3+q) 6ONN2mTssin(p/3+q)ONO-2mTssinq
然而,传统SVPWM方法在实现过程中需要扇区判断,并通过三角函数计算作用时间,这使得算法较为复杂。为此,本文推导出了三电平逆变器在单相故障情况下的载波实现方式,通过注入零序分量,仅利用简单公式即可实现SVPWM的等效输出,不需要扇区判断和作用时间计算,大大简化了调制过程。
设原始三相调制波为ma、mb和mc,注入的零序电压为m0,通过将m0叠加到原始正弦调制波,可以得到新的调制波为
(1)
将三相调制波重新排列为
(2)
式中,mmax、mmin和mmid分别为三相调制波的最大值、最小值和中间值,可得在不同扇区内重新排列后的三相调制波见表3。
表3 不同扇区内重新排列后的三相调制波
Tab.3 Three-phase modulation waves after rearrangement in different sectors
扇区mmaxmmidmmin 1mambmc 2mbmamc 3mbmcma 4mcmbma 5mcmamb 6mamcmb
以图6中扇区2为例进行分析,其对应的调制波与三角载波比较所产生的空间矢量序列如图7所示。在一个载波周期内,空间矢量OPO的作用时间为T1,OON的作用时间为T2,零矢量OOO的作用时间为T0。根据调制波的面积等效原则,可得到
(3)

图7 等效调制波与三角载波比较得到空间矢量序列
Fig.7 Comparison of the equivalent modulation wave with the triangular carrier to obtain a space vector sequence
由式(3)解得在扇区2中叠加的零序电压表达式为
(4)
以同样的方式推导其他扇区的零序电压表达式可得在所有的扇区中叠加的零序电压为
(5)
在扇区1和扇区6中,解得零序电压为-mmax;在扇区2和扇区5中,解得零序电压为-mmid;在扇区3和扇区4中,解得零序电压为-mmin。结合表3可知,在a相故障下进行容错控制需要叠加的零序分量为
(6)
当b相和c相故障时,同样推导出故障容错后所需叠加的零序电压为m0=-mb和m0=-mc。
由上述分析可知,可以将逆变器单相故障后的调制波统一修正为
(7)
式中,mt为故障相原始正弦波;
为故障容错后新的三相调制波,即在原始三相调制波mx上统一加上故障相调制波mt,得到新的三相调制波
。
在三电平逆变器的正常运行模式下,影响NP电压的矢量主要包括12个小矢量和6个中矢量。传统SVPWM方法通过最近三矢量合成参考电压,生成七段式的矢量序列。在这些序列中会存在互为冗余矢量的两组小矢量,它们对NP电压的影响方向相反。因此,可以通过调整这两组冗余小矢量的作用时间来实现NP电压的平衡。
然而,在容错控制模式下,由于a相桥臂被钳位到直流侧NP,三电平ANPC逆变器在线性调制区中参与合成参考电压的矢量仅剩下6个小矢量和1个零矢量,此时小矢量的冗余状态被打破,传统调整冗余小矢量作用时间的均压方法将失效。尽管如此,在容错模式下,仍存在能够影响中点电位的小矢量。基于此,本文提出VBBTM策略,在容错下平衡中点电位。
2.2.1 特定小矢量选择
当Udc1-Udc2>0时,为了平衡NP电位,需要减少Udc1或者增加Udc2,Udc1为直流侧上侧电容电压;Udc2为直流侧下侧电容电压。此时,如果需要调整作用时间的小矢量产生的NP电流im>0,则其对NP电压的影响是提高Udc1而降低Udc2,因此应减少该小矢量的作用时间;当im<0时,则应增加小矢量的作用时间。当Udc1-Udc2<0时,为了平衡NP电位,需要增加Udc1或者减少Udc2,如果调整作用时间的小矢量产生的NP电流im>0,则应增加小矢量的作用时间;当im<0时,则应减少小矢量的作用时间。具体调整关系见表4。
表4 小矢量作用时间与NP电压和电流之间的关系
Tab.4 Relationship between small vector dwell time and NP and current
NP电压小矢量 产生NP电流作用时间调整 Udc1-Udc2>0im>0减小 Udc1-Udc2>0im<0增加 Udc1-Udc2<0im>0增加 Udc1-Udc2<0im<0减小
在一个小扇区内,参考电压由一个零矢量和两个小矢量合成。如在图6中以扇区2为例,其矢量序列如图8所示。从图8可以看出,当上移b相调制波时,小矢量OPO的作用时间会增加,而零矢量OOO的作用时间会减少;当上移c相调制波时,小矢量OON的作用时间会减少,而零矢量OOO的作用时间会增加。
图8 移动调制波对基本矢量的影响
Fig.8 Effect of mobile modulation waves on the fundamental vector
由此可知,移动调制波不仅会改变目标小矢量的作用时间,还会影响其他矢量的作用时间。鉴于小矢量对NP电压产生影响,而零矢量的NP电流为0(对NP电压没有影响),可依据此原则选择与零矢量相邻的特定小矢量作为需要调整的小矢量。a相故障容错后各扇区的矢量序列见表5。由表5可知,在扇区1、3、4、6中,与零矢量OOO相邻的仅有一个特定小矢量,因此只能选择该小矢量进行调整;而在扇区2、5中,有两个小矢量与零矢量OOO相邻,可从中选择一个进行调整。本文选择扇区2的小矢量OON以及扇区5的小矢量ONO作为调整对象。
表5 a相故障容错控制后各扇区的矢量序列
Tab.5 Sequence of vectors in each sector after fault tolerance control for phase-a fault
扇区矢量序列 1OOO-OON-ONN-ONN-OON-OOO 2OPO-OOO-OON-OON-OOO-OPO 3OPP-OPO-OOO-OOO-OPO-OPP 4OPP-OOP-OOO-OOO-OOP-OPP 5OOP-OOO-ONO-ONO-OOO-OOP 6OOO-ONO-ONN-ONN-ONO-OOO
2.2.2 平移调制波与改变小矢量作用时间的关系
在选择特定小矢量后,需要进一步分析移动调制波与小矢量作用时间之间的关系。以图6中扇区1和扇区4为例,移动调制波与小矢量作用时间的关系如图9和图10所示。在扇区1中,上移c相调制波对应减少小矢量OON作用时间,下移c相调制波对应增加小矢量OON作用时间;而在扇区4中,上移c相调制波对应增加小矢量OOP作用时间,下移c相调制波对应减少小矢量OOP作用时间。通过对其他扇区的分析得出:在扇区1、2、6中,上移调制波对应减少特定小矢量作用时间,下移调制波对应增加特定小矢量作用时间;而在扇区3、4、5中,向上移动调制波对应增加特定小矢量作用时间,向下移动调制波对应减少特定小矢量作用时间。
图9 扇区1中移动调制波对特定小矢量作用时间的影响
Fig.9 Effect of mobile modulation waves on the dwell time of specific small vectors in sector 1
图10 扇区4中移动调制波对特点小矢量作用时间的影响
Fig.10 Effect of mobile modulation waves on the dwell time of specific small vectors in sector 4
图8中,移动b相或c相调制波分别影响小矢量OPO和OOO或矢量OON和OOO的作用时间。因此,在选择需要调整的特定小矢量之后,需要确定相应移动的调制波Um。根据分析可知,若在扇区1,则调制小矢量OON,相应需要移动c相调制波,总结归纳6个扇区可得,在扇区1、2、4、5中,需要移动c相调制波调整小矢量作用时间;而在扇区3、6中,需要移动b相调制波调整小矢量作用时间。
此外,以同样的方法分析b相和c相故障容错下的均压控制,可选择合适的小矢量。具体的特定小矢量与调制波的选择结果见表6。
进而,通过分析Udc1-Udc2、im和Um的乘积方向可以确定如何调整相应的调制波。具体而言,将这三者的乘积乘以相应的系数k,得到调整量Dm,进一步根据特定小矢量的选择以及平移调制波与改变小矢量作用时间的关系分析可得,在不同的扇区内依据调整量的正负决定上移或下移调制波,从而改变特定小矢量的作用时间,实现对NP电位的平衡调节。
表6 容错下不同扇区特定小矢量和移动调制波选择
Tab.6 Selection of different sectoral specific vectors and mobile modulation waves under fault tolerance
扇区a相故障b相故障c相故障 矢量调制波相矢量调制波相矢量调制波相 1OONcPOOaPOOa 2OONcOONcOPOb 3OPObNOOaOPOb 4OOPcNOOaNOOa 5OOPcOOPcONOb 6ONObPOOaONOb
在容错控制下采用VBBTM策略平衡NP电位时,调整量
需由Udc1-Udc2、im和Um乘积再乘以相应的系数k来计算。然而,系数k的选择与母线电压Udc密切相关,当Udc发生变化时,如果不重新选择合适的k值,可能会导致调制波的平移幅度过大或过小,从而影响NP电位的平衡效果。因此,有必要对调制波的平移量
进行定量计算。
由直流侧电容电压偏差引起的电荷量可表示为
(8)
式中,C为直流侧电容。理想条件下,在一个载波周期内由于三相电流引起的电荷变化量Q0为
(9)
式中,Ta0、Tb0和Tc0分别为在一个载波周期内三相输出O电平的时间。
在一般的载波调制中,每一相的O电平占空比与其调制波的值有关,其关系式为
(10)
式中,dx0为三相O电平占空比。
可得一个载波周期内三相输出O电平的时间为
(11)
结合式(9)~式(11)可得一个载波周期内三相电流引起的电荷变化量Q0为
(12)
式中,
、
、
为引入电荷量后对移动进行限幅的三相调制波。在某相故障容错控制下,此相位会被钳位到O状态,以a相故障为例,得
(13)
当采用调制波平移法时,若参考电压在第1扇区,则平移c相调制波,此时b相令
,由式(13)可得
(14)
式中,sign( · )为符号函数,由于在调制波进行移动的过程中并不会改变其符号,所以
。令QC=Q0,结合式(14)可得
(15)
给定新的调制波平移最大值
为
(16)
式中,
为限幅标幺值。所以当需要平移c相调制波
时,可得平移的初步范围为
(17)
另外,调制波平移的范围还会受到扇区的影响。当处于不同的扇区时,在线性调制区域内,调制波的值会受到一定限制。此时,需要对调制波进行限幅处理。
当参考电压处于第1扇区时,调制波可平移的最大范围如图11所示,平衡NP电位需要平移c相调制波。为了确保原有的矢量顺序不发生改变,调制波在平移时需要满足一定的限制条件:向上平移时不能超过b相调制波的值,向下移动时不能小于-1。因此,c相调制波的平移范围为
。结合上述分析可知,在对调制波进行平移的过程中,仅改变了特定小矢量的作用时间,电平状态切换次数并不会因此而增加或者减少,进而也不会对逆变器的开关损耗产生影响。进一步将不同扇区的调制波平移范围总结见表7。
图11 第1扇区内调制波可移动范围
Fig.11 Range of modulation waves movement within the sector 1
表7 不同扇区的调制波平移范围
Tab.7 Modulation waves translation range for different sectors
扇区调制波选择平移最小值平移最大值 1-1 20 31 41 50 6-1
通过定量计算调制波的平移量并且对其限幅,可以得到调制波的具体平移范围。这样,就能够在不需要根据不同母线电压值调整相应的系数k的情况下,实现NP电位的平衡。具体的操作流程如图12所示。
图12 采用调制波平移法平衡NP电压控制框图
Fig.12 Control block diagram for balancing the NP voltage using the modulation wave translation method
利用Matlab/Simulink仿真平台搭建模型,以验证所提VBBTM策略的可行性。具体的仿真参数见表8。
表8 系统参数
Tab.8 System parameters
参 数数 值 直流侧电压Udc/V500 直流侧电容C0/mF4.5 负载电阻Rs/W11.67 负载电感Ls/mH37.9 基频f0/Hz50 开关频率fs/kHz2.5
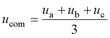
若逆变器a相故障,采用叠加零序分量的调制波形如图13所示,图中,红绿蓝三色曲线表示原始三相正弦调制波,黑色为由式(6)得到的a相反向调制波,通过在三相正弦波上叠加a相调制波的负值,得到新的三相调制波,如图13中虚线所示。
图13 零序分量注入后的调制波形
Fig.13 Modulation waves after zero sequence component injection
图14和图15为ANPC逆变器在a相功率器件发生开路故障时,采用VBBTM策略进行NP电位平衡控制的仿真波形。从结果可以得出以下结论:
图14 Sa4开路,m=0.8,采用VBBTM策略
Fig.14 Sa4 open circuit, m=0.8, adopt VBBTM strategy
(1)通过图14可知,在Sa4发生故障且不使用容错策略时,a相电压输出状态异常,三相电流的幅值和相位明显畸变,导致NP电压发生严重不平衡。采用容错策略但未使用VBBTM策略时,虽然电流能够恢复到三相平衡状态,电容电压不再发散,但维持在不平衡状态,无法收敛。而在施加VBBTM策略后,电容电压逐渐收敛并趋于稳定,NP电位得到显著改善。
图15 Sa4开路,m=0.8,正常与采用VBBTM策略结果
Fig.15 Sa4 open circuit, m=0.8, normal operation and VBBTM strategy results
(2)图15展示了逆变器在正常运行状态下与VBBTM策略下NP电位均衡的对比波形。结果表明,采用所提VBBTM策略处理后,电容电压收敛至接近逆变器正常运行时的状态,系统恢复稳定。
图16和图17展示了调制比动态变化下的仿真波形。可以看出,电流逐渐稳定增加,当调制比大于0.5时,m从0.1增加到0.9,采用VBBTM策略后,m降为0.5;当调制比小于0.5时,m从0.1增加到0.4,采用VBBTM策略后,m仍为0.4。
图16 调制比动态变化仿真波形,m>0.5
Fig.16 Simulation waveforms of modulation ratio dynamics, m>0.5
图17 调制比动态变化仿真波形,m<0.5
Fig.17 Simulation waveforms of modulation ratio dynamics, m<0.5
3.2.1 NP电位波动幅值分析
采用VBBTM策略后,尽管伏秒平衡略有影响,但其调节机制具有动态特性。当直流电压偏差较大时,调制波平移幅度相应增大,加快NP电位的调节速度;当直流电压偏差较小时,平移幅度减小,从而降低对目标输出电压的干扰。这种方式能够在确保快速调节NP电位的同时,尽量减少对输出电压的影响,维持系统的稳定运行。
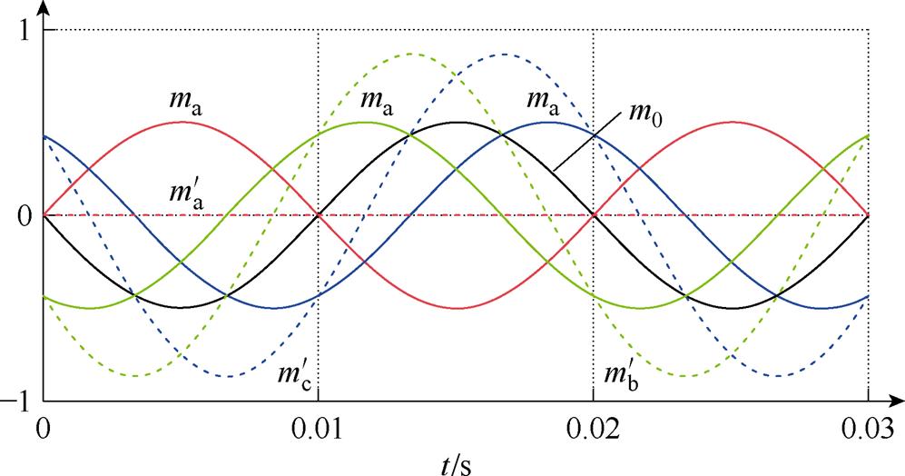
图18和图19展示了VBBTM策略在调制比0~0.5以及负载相位-180°~180°范围内变化时的NP电位波动幅值。可以得出,随着调制比的增大,NP电位波动幅值也随之增大;在同一调制比下,当负载相位为±90°时,NP电位波动幅值最小;调制波平移幅度越大,NP电位波动幅值越小。
图18 NP电位波动幅值三维分析
Fig.18 Three-dimensional analysis of the amplitude of NP voltage fluctuations
3.2.2 VBBTM策略对三相电流的影响分析
通过VBBTM策略方法平衡NP电位不可避免地会对三相电流质量产生影响。为了评估该策略对三相电流不平衡的影响,定义三相电流不平衡度
为
图19 NP电位波动幅值分析
Fig.19 Analysis of the amplitude of NP voltage fluctuations
(18)
在a相故障条件下,通过均压控制,在不同的调制比m下逐渐改变限幅值
,观察三相电流不平衡度的变化规律并将其绘制于图20中。从图20可以看出,随着限幅值
的增加,电流不平衡度逐渐增大,然而,当限幅值
达到一定程度,不平衡度达到饱和,调制比为0.5时,三相电流不平衡度的饱和值为7.685%。
图20 a相均压后三相电流不平衡度
Fig.20 Three-phase current unbalance after phase-a voltage balancing
调制比减小时,不平衡度的饱和值随之减小,同时达到饱和值所需的限幅值也逐渐降低。当调制比小于0.2时,在最小限幅值0.02(pu)的条件下,不平衡度已达到饱和值;而当调制比为0.2时,不平衡度的饱和值为3.098%。
3.2.3 VBBTM策略对目标电压矢量的影响分析
图21展示了采用VBBTM策略后对
、
轴目标电压矢量的影响。从图21中可以看出,尽管VBBTM策略略微改变了矢量圆的轨迹,但与原轨迹相比,偏差并不显著。在调制比m=0.5时,调制波电压矢量幅值的变化范围为(0.5±0.015)(pu),波动幅度控制在±3%以内。
图21 m=0.5时采用VBBTM策略
、
轴目标电压矢量
Fig.21 Target voltage vector in
and
axes after adopting of VBBTM strategy at m=0.5
综上所述,所提VBBTM策略方法对不同性能指标的影响均保持在较小范围内。在实现NP电位平衡的同时,对系统整体性能的影响可以接受。这一结果验证了VBBTM策略的可行性和有效性。
3.2.4 VBBTM策略其他影响分析
图22和图23展示了在VBBTM策略下输出电容电压、线电压和共模电压等波形。图22中调制比保持0.5不变,图23可以看出,在采用VBBTM策略后,线电压并不会受到影响。三电平ANPC逆变器的共模电压为
图22 VBBTM策略下输出线电压和共模电压(m=0.5)
Fig.22 Output line voltage and common mode voltage with VBBTM strategy (m=0.5)
图23 VBBTM策略下输出线电压和共模电压(m=0.8)
Fig.23 Output line voltage and common mode voltage with VBBTM strategy (m=0.8)
(19)
在逆变器正常运行下,一般舍弃PPP和NNN两个零矢量进行调制,在剩余空间矢量的作用下共模电压ucom幅值为±Udc/3。在采用VBBTM策略时使用的剩余矢量如图6所示,其最大共模电压由小矢量OPP和ONN产生,分别为+Udc/3和-Udc/3。当移动调制波时,可以看出,随着小矢量作用时间的调整,其能产生的共模电压的时长也会做出相应的调整,但是最大共模电压的幅值并不会产生影响。可知采用VBBTM策略并不会改变三电平ANPC逆变器的共模电压幅值。
综上所述,所提VBBTM策略在实现容错模式下电容电压平衡的同时,并不会对逆变器的线电压、共模电压产生影响。
另外,表9对比了三电平逆变器容错控制模式下的均压方法在开关损耗、算法复杂度、均压能力以及其他方面的影响。分析表9可知,文献[19, 23]在实现均压的同时,会导致系统增加开关损耗,并且存在算法复杂度高的问题;文献[20]更加注重输出电压的不平衡,中点不平衡效果较低;文献[21, 24]在不影响开关损耗的情况下实现均压,但会导致转矩波动等其他问题。本文所提方法并不会影响开关损耗,并且具有较强的均压能力,其结果会影响电流不平衡度及目标电压矢量,但影响轻微。
表9 三电平容错下均压方法对比
Tab.9 Comparison of voltage equalization methods under three-level fault tolerance
均压方法开关损耗算法复杂度均压能力其他 改进零序电压注入法[16]无中较强导致两电平跳变问题 虚拟零矢量法[19]增加高一般调制比0.5时无效 改进SVPWM方法[20]无低低有效抑制输出电压不平衡,对中点不平衡抑制有限 参考电压补偿法[21]无中一般引起转矩波动 切换调制波法优化容错技术[22]无中较强PI控制器参数需根据具体系统调试,缺乏通用性 零序电压注入与双信号 PWM法[23]增加高较强零电压驻留时间需预留2倍死区时间以避免电压突变 注入直流分量法[24]无中一般控制算法依赖精确的相位检测和实时调整 本文方法无中较强轻微影响电流不平衡度及目标电压矢量
本文基于如图24所示的三电平ANPC逆变器实验平台,对VBBTM策略的有效性进行了实验验证,实验参数与仿真参数一致。通过移除故障开关管的驱动信号模拟开关管的故障情况。
图24 实验平台
Fig.24 Experimental platform
图25展示了Sa1开路下采用VBBTM策略的实验波形,图25a和图25b分别表示从正常运行到故障运行以及从故障运行到容错运行的实验波形,图25c展示了不同运行状态下的电容电压波形。
图25 Sa1开路下实验波形
Fig.25 Experimental waveforms of Sa1 open-circuit fault
实验结果显示,在逆变器发生开路故障且未采用任何控制时,相电压和相电流出现畸变,电容电压发散。在仅采用容错控制后,故障相电压被钳位到O电平,三相电流恢复正常,电容电压停止发散,但未能实现收敛。当采用VBBTM策略进行均压控制后,电容电压迅速收敛至稳定值。这表明VBBTM策略有效地平衡了电容电压,确保了系统的稳定性。
图26和图27展示了Sa1开路下的动态变化实验波形。图26中,给定m在0.1稳定运行后逐渐增加到1,当m=0.9时Sa1开路,此时采用VBBTM策略,调制比降为最大值0.5,系统稳定运行。图27中,给定m=0.1时稳定运行后逐渐增加到m=0.5,当m=0.4时Sa1开路,此时采用VBBTM策略,由于调制比m≤0.5,无需降额,三相电流及电压稳定,系统正常运行。
从图28~图30中可以看出,当同相不同器件发生开路故障时,且在调制比分别为0.4、0.6或0.8时,VBBTM策略控制下的ANPC逆变器均能正常输出三相电流。这表明所提出的VBBTM策略能够在不同器件故障和调制比条件下,有效地实现三电平ANPC逆变器容错控制下的NP电位平衡,保证系统的可靠性与稳定性。
图26 Sa1开路下调制比m>0.5时动态变化实验波形
Fig.26 Experimental waveforms of dynamic changes when the modulation ratio m>0.5 in the open-circuit state of Sa1
图27 Sa1开路下调制比m<0.5时动态变化实验波形
Fig.27 Experimental waveforms of dynamic changes when the modulation ratio m<0.5 in the open-circuit state of Sa1

图28 Sa1开路,m从0.8降为0.4,采用VBBTM策略
Fig.28 Sa1 open circuit, modulation ratio m reduced from 0.8 to 0.4, adopt VBBTM strategy
图29 Sa2、Sa4开路,m从0.6降到0.5,采用VBBTM策略
Fig.29 Sa2, Sa4 are open circuit, modulation ratio m reduced from 0.6 to 0.5, adopt VBBTM strategy
图30 Sa1、Sa2、Sa6开路,m=0.4,采用VBBTM策略
Fig.30 Sa1, Sa2, Sa6 are open circuit, modulation ratio m=0.4, adopt VBBTM strategy
图31~图33展示了b相开关管故障下的实验波形。从上述结果可以得出,容错控制下的VBBTM策略能够在不同功率器件开路的情况下,成功地控制三电平ANPC逆变器输出对称的三相电流。
图31 Sb4开路,m从0.6降到0.3,采用VBBTM策略
Fig.31 Sb4 is open circuit, modulation ratio m is reduced from 0.6 to 0.3, adopt VBBTM strategy
图32 Sb3、Sb4、Sb5开路,m从0.7降到0.5,采用VBBTM策略
Fig.32 Sb3, Sb4 and Sb5 are open circuit, modulation ratio m is reduced from 0.7 to 0.5, adopt VBBTM strategy

图33 Sb1、Sb3、Sb4、Sb6开路,m=0.2,采用VBBTM策略
Fig.33 Sb1, Sb3, Sb4, Sb6 open circuit, modulation ratio m=0.2, adopt VBBTM strategy
此外,在不同相器件故障、同相不同功率器件故障以及不同调制比下,所提的VBBTM策略均能够实现三电平ANPC逆变器的中点电位平衡。这表明,VBBTM策略在故障情况下有效地保持了系统的稳定性和可靠性,从而显著提高了三电平ANPC逆变器的容错能力。
本文分析了在故障容错下三电平ANPC逆变器改变小矢量作用时间与NP电流变化之间的关系,得到了一个载波周期内上下移动调制波对NP电流的变化规律。在此基础上,提出了一种适用于三电平ANPC逆变器故障容错下的VBBTM策略,在无法调节冗余小矢量作用时间的情况下进行均压控制,并且避免了三角函数计算,简化了调制过程。对所提VBBTM策略对于NP电位波动幅值、电流不平衡度以及目标电压矢量影响进行详细分析,结果表明,VBBTM策略在有效实现NP电位平衡的同时,对系统线电压、共模电压和开关损耗均未产生影响,对其他各项性能指标的影响均控制在较小范围内。最后,基于三电平ANPC逆变器实验平台对VBBTM策略进行实验验证,实验结果表明,无论在任意单相不同功率器件开路故障,还是在不同调制比的条件下,所提VBBTM策略均能有效平衡NP电位,从而实现三电平ANPC逆变器的稳定可靠容错运行。
参考文献
[1] 徐畅, 宫金武, 张国琴, 等. 中点钳位型三电平逆变器并联系统的零序环流抑制策略[J]. 电工技术学报, 2023, 38(增刊1): 124-135.
Xu Chang, Gong Jinwu, Zhang Guoqin, et al. Zero- sequence circulating current suppression strategy of neutral-point-clamped three-level inverter parallel system[J]. Transactions of China Electrotechnical Society, 2023, 38(S1): 124-135.
[2] Zorig A, Barkat S, Sangwongwanich A. Neutral point voltage balancing control based on adjusting appli- cation times of redundant vectors for three-level NPC inverter[J]. IEEE Journal of Emerging and Selected Topics in Power Electronics, 2022, 10(5): 5604-5613.
[3] Pou J, Zaragoza J, Ceballos S, et al. A carrier-based PWM strategy with zero-sequence voltage injection for a three-level neutral-point-clamped converter[J]. IEEE Transactions on Power Electronics, 2012, 27(2): 642-651.
[4] 张建忠, 胡路才, 徐帅. 一种零序电压注入的T型三电平逆变器中点电位平衡控制方法[J]. 电工技术学报, 2020, 35(4): 807-816.
Zhang Jianzhong, Hu Lucai, Xu Shuai. Neutral potential balance control method of T-type three-level inverter with zero-sequence voltage injection[J]. Transactions of China Electrotechnical Society, 2020, 35(4): 807-816.
[5] 王新宇, 何英杰, 刘进军. 注入零序分量SPWM调制三电平逆变器直流侧中点电压平衡控制机理[J]. 电工技术学报, 2011, 26(5): 70-77.
Wang Xinyu, He Yingjie, Liu Jinjun. Neutral-point voltage balancing principle of NPC inverter modu- lated by SPWM injected zero-sequence voltage[J]. Transactions of China Electrotechnical Society, 2011, 26(5): 70-77.
[6] Bruckner T, Bernet S, Guldner H. The active NPC converter and its loss-balancing control[J]. IEEE Transactions on Industrial Electronics, 2005, 52(3): 855-868.
[7] 王超, 何英杰, 宋志顺, 等. 有源中点钳位多电平逆变器空间矢量调制与三角载波调制统一理论[J]. 电工技术学报, 2017, 32(14): 106-115.
Wang Chao, He Yingjie, Song Zhishun, et al. Unified theory between the space vector and the triangular carrier-based PWM strategies in active neutral- point-clamped multilevel inverters[J]. Transactions of China Electrotechnical Society, 2017, 32(14): 106- 115.
[8] Hakami S S, Halabi L M, Lee K B. Dual-carrier-based PWM method for DC-link capacitor lifetime extension in three-level hybrid ANPC inverters[J]. IEEE Transactions on Industrial Electronics, 2023, 70(4): 3303-3314.
[9] Zuo Yuefei, Zhu Xiaoyong, Si Xiang, et al. Fault- tolerant control for multiple open-leg faults in open-end winding permanent magnet synchronous motor system based on winding reconnection[J]. IEEE Transactions on Power Electronics, 2021, 36(5): 6068-6078.
[10] Chai Na, Hu Wei. A fault-tolerant scheme against the open-switch failure in open-end winding PMSM system with isolated DC bus[J]. IEEE Transactions on Energy Conversion, 2023, 38(3): 2227-2230.
[11] Wang Xueqing, Ren Shaowei, Xiao Dianxun, et al. Fault-tolerant control of open-circuit faults in standard PMSM drives considering torque ripple and copper loss[J]. IEEE Transactions on Transportation Electrification, 2024, 10(2): 4239-4251.
[12] 徐帅. 新型混合多电平变流器拓扑、故障诊断与容错控制研究[D]. 南京: 东南大学, 2018.
Xu Shuai. Investigation of novel hybrid multilevel converters on topology, fault diagnosis and fault- tolerant control[D]. Nanjing: Southeast University, 2018.
[13] Azer P, Ouni S, Narimani M. A novel fault-tolerant technique for active-neutral-point-clamped inverter using carrier-based PWM[J]. IEEE Transactions on Industrial Electronics, 2020, 67(3): 1792-1803.
[14] 吴宁, 时维国. 三相八开关逆变器的容错控制策略[J]. 电机与控制应用, 2021, 48(7): 89-94, 106.
Wu Ning, Shi Weiguo. Fault-tolerant control strategy for three-phase eight-switch inverter[J]. Electric Machines & Control Application, 2021, 48(7): 89-94, 106.
[15] 葛兴来, 林春旭, 邓清丽. NPC型八开关三相逆变器输出电流不平衡的调制补偿算法[J]. 电机与控制学报, 2022, 26(4): 28-37.
Ge Xinglai, Lin Chunxu, Deng Qingli. Output current unbalance compensation strategy for NPC eight switch three-phase inverters[J]. Electric Machines and Control, 2022, 26(4): 28-37.
[16] 徐帅, 孙振耀, 姚春醒, 等. 基于混合载波调制的三电平ANPC逆变器开路故障容错控制策略[J]. 中国电机工程学报, 2021, 41(15): 5329-5340.
Xu Shuai, Sun Zhenyao, Yao Chunxing, et al. Open- switch fault-tolerant control strategy for three-level ANPC inverter based on hybrid carrier modulation[J]. Proceedings of the CSEE, 2021, 41(15): 5329- 5340.
[17] Yang Dong, Wei Rong, Sun Pengkun, et al. Analysis and design of fault-tolerant control of ANPC inverter for traction system[C]//2019 22nd International Conference on Electrical Machines and Systems (ICEMS), Harbin, China, 2019: 1-4.
[18] 杜朋. 双三电平逆变器容错控制策略研究[D]. 徐州: 中国矿业大学, 2016.
Du Peng. Research on the fault tolerant modulation strategy of dual three-level inverter[D]. Xuzhou: China University of Mining and Technology, 2016.
[19] Xiang Chaoqun, Cheng Shu, Li Zhuoxin, et al. Novel virtual zero-vector to accelerate the neutral point voltage balance of T-type eight-switch three-phase inverters[C]//2020 IEEE 9th International Power Elec- tronics and Motion Control Conference (IPEMC2020- ECCE Asia), Nanjing, China, 2020: 2681-2685.
[20] 张铭, 郭源博, 李泽, 等. 容错控制模式下三电平逆变器输出电压不平衡抑制方法[J]. 电工技术学报, 2018, 33(22): 5300-5310.
Zhang Ming, Guo Yuanbo, Li Ze, et al. Suppression algorithm for output voltage unbalance of three-level inverters under fault tolerant operation[J]. Transa- ctions of China Electrotechnical Society, 2018, 33(22): 5300-5310.
[21] 毛炳奎, 成庶, 陈特放, 等. 一种考虑中点偏移的三电平逆变器容错控制策略[J]. 铁道科学与工程学报, 2019, 16(2): 509-517.
Mao Bingkui, Cheng Shu, Chen Tefang, et al. A fault tolerant control strategy considering mid-point offset for three-lever inverter[J]. Journal of Railway Science and Engineering, 2019, 16(2): 509-517.
[22] 卫炜, 高瞻, 赵牧天, 等. 基于切换调制波的三电平有源中点钳位逆变器优化容错技术研究[J]. 电工技术学报, 2022, 37(15): 3818-3833.
Wei Wei, Gao Zhan, Zhao Mutian, et al. Research on optimal fault-tolerant technique for three-level active- neutral-point-clamped inverter based on switching modulation wave[J]. Transactions of China Electro- technical Society, 2022, 37(15): 3818-3833.
[23] Wu Mingzhe, Pang Jupeng, Ma Zunmin, et al. A unified fault tolerant control and neutral-point voltage balance strategy for three-level T-type inverters under double signal PWM[J]. IEEE Transactions on Power Electronics, 2024, 39(11): 14204-14215.
[24] Häring J, Hepp M, Wondrak W, et al. A neutral point balancing and voltage error compensation approach for fault-tolerant 3-level inverters[J]. IEEE Open Journal of Power Electronics, 2023, 5: 106-122.
Abstract The three-level active neutral-point-clamped (ANPC) inverter is widely used in high-power applications due to its superior output characteristics and balanced power loss distribution. However, under open-circuit faults, the redundancy of small vectors is disrupted, rendering traditional neutral-point (NP) voltage balancing methods ineffective. The divergence of the capacitive voltage on the DC side can lead to problems such as increased voltage stress and reduced output quality. Addressing NP imbalance without compromising system stability or efficiency remains a critical challenge for ANPC inverters in fault-tolerant operation.
First, this paper analyzes the operational principles of a three-level ANPC inverter under open-circuit faults. When a phase leg is clamped to the NP, the redundancy of small vectors is disrupted, and traditional voltage balancing methods relying on redundant vector adjustments become ineffective. The study identifies that the distortion of current paths and output voltage anomalies exacerbate NP voltage imbalance, leading to increased capacitor stress and degraded system performance. By clamping the faulty phase to the NP and reconfiguring the modulation strategy, the topology retains partial functionality but requires a novel approach to address persistent NP imbalance. Second, this paper derives a fault-tolerant modulation wave by injecting a zero-sequence component into the original three-phase modulation signals. This approach eliminates sector judgments and trigonometric calculations inherent in conventional space vector pulse-width modulation (SVPWM). The unified modulation wave formula for clamped phases simplifies the process of modulation. For instance, in a phase-a fault, the zero-sequence component is defined as m0=-ma, and the adjusted modulation waves for healthy phases are expressed as
and
. This modification ensures equivalent SVPWM outputs while maintaining linear modulation capabilities. Then, a voltage balance based on translation modulation (VBBTM) strategy is proposed under fault-tolerant control. By analyzing the correspondence between the dwell time of small vectors and the NP current, specific small vectors required for balancing the NP voltage are selected. Combined with the charge balance method, the translation direction of modulation waves is dynamically adjusted to calculate the translation amount of modulation waves quantitatively. Limiting the translated modulation waves based on sector position effects is then applied, ultimately achieving adaptive NP voltage balancing under varying bus voltage conditions.
Finally, simulations in Matlab/Simulink and experimental tests on a three-level ANPC platform validate the effectiveness of the VBBTM strategy under diverse fault scenarios, including single/multiple switch faults in a single-phase leg and varying modulation ratios. Results show that the NP voltage rapidly converges after applying the VBBTM strategy, with stable three-phase currents and minimal impacts on system performance. Specifically, current unbalance remains below 7.7% (at m=0.5), voltage vector trajectory deviation is within ±3%, and common mode voltage and differential mode voltage exhibit no significant distortion. Comparative analysis highlights the advantages of the VBBTM strategy in low computational complexity, no switching losses, and adaptability to dynamic modulation ratios. The strategy demonstrates robustness under varying load conditions and bus voltage fluctuations, achieving adaptive NP voltage balancing. The study confirms the practicality of VBBTM for high-power ANPC inverters, ensuring reliable fault-tolerant operation with only minor degradation in output quality.
Keywords:Active neutral-point-clamped inverter, open-circuit fault, fault-tolerant control, translational modulation wave, neutral-point voltage balance
中图分类号:TM464
DOI: 10.19595/j.cnki.1000-6753.tces.250377
电磁能技术全国重点实验室基金资助项目(614221722050501, 61422172220503)。
收稿日期 2025-03-10
改稿日期 2025-05-27
赵相霖 男,1999年生,硕士,研究方向为三电平逆变器及其容错控制。
E-mail: zhaoxianglin77@qq.com
周 亮 男,1985年生,讲师,研究方向为大容量电力电子变换和可再生能源发电。
E-mail: zhouliang_dldz23@nue.edu.cn(通信作者)
(编辑 陈 诚)