摘要 高压直流输电系统和轨道交通牵引系统中产生的杂散电流均会入侵变压器而导致其构件振动和噪声异常,针对该问题,该文探究变压器遭受杂散电流干扰时磁-固-声多场信息的演变与传播。首先,结合实测数据对比分析两种杂散电流的形态特征,利用特征因子(直流因子和突变因子)表征两者的波动性与持续性。然后,提出杂散电流入侵变压器的多物理场传播与特征信息提取方法,搭建虚拟仿真模型及动模实验平台,以获取不同场景下构件电磁、振动和噪声状态并总结规律。通过对比仿真与实验,验证该文模型及方法的有效性与结论的正确性。结果表明,直流因子越高,振动噪声越显著,突变因子越大,时域波形畸变越严重。其中轨道交通牵引系统杂散电流导致多场信息的变化更复杂,对构件振动和噪声的影响比高压直流输电更加严重。在此基础上,形成特征信息域,利用特征因子研究杂散电流与振动和噪声的映射关系,制定变压器受扰失稳判据并划分状态区间,为变压器生命周期状态评价与信息物理融合提供新的思路。
关键词:杂散电流 多场特征 失稳判据 扰动传播
随着电网规模的不断扩大,高压直流输电(High Voltage Direct Current, HVDC)[1]和轨道交通牵引系统(Rail Transit Traction System, RTTS)[2]在能源传输与轨道交通领域发展迅速。大量非线性电力电子器件的应用导致系统中电磁环境更加复杂,由此造成的变压器直流偏磁现象愈加凸显[3-5]。HVDC单级大地回线运行及RTTS诱发的杂散电流由接地点入侵变压器,导致励磁饱和、振动和噪声异常等现象[6-7],甚至危害电力系统的安全稳定运行。
目前,针对变压器遭受杂散电流入侵问题,国内外专家学者已开展相关研究。文献[8]以白鹤滩-江苏UHVDC工程为背景,探究系统调试期间直流对油浸式变压器振动特性的影响。文献[9]发现HVDC系统中500 kV油浸式变压器的振动与直流电流间存在显著的线性相关性。文献[10]分析HVDC型直流偏磁与地磁感应(Geomagnetically Induced Current, GIC)型直流偏磁的诱发机理及特点,进而探究直流偏磁对一/二次设备的影响差异,但忽略了变压器内部振动和噪声的变化情况。文献[11]基于小波变换分析变压器振动频谱能量分布,结果表明变压器振动信号随HVDC系统负荷电流的变化而出现奇次谐波。上述研究只考虑了HVDC系统中直流对变压器的影响,未研究并进行对比HVDC杂散电流与RTTS杂散电流对变压器内部多场信息的影响。文献[12]基于地铁杂散电流的产生机理及分布特征提出一种偏磁抑制方法,可在变压器中性点处阻断地铁杂散电流。文献[13]研究地铁单列车和多列车动态运行时RTTS杂散电流变化规律及轨道交通系统中导致变压器偏磁的因素,并采用加装限流电阻的方法抑制杂散电流。文献[14]构建“杂散电流-地电场-磁偏置直流”模型,探究不同工况下变压器中性点电流的分布情况。文献[15]分析变压器漏抗、大地电阻率等因素对杂散电流分布的影响,分析表明漏抗较小及处在大地电阻率较小区域的接地变压器更容易遭受杂散电流的影响。上述研究多将HVDC/RTTS杂散电流等效为直流,研究其对变压器的干扰,忽略两种场景间电流差异对变压器的影响。综上所述,多数学者仅聚焦于HVDC/RTTS杂散电流对变压器的干扰以及直流偏磁抑制策略,对于变压器遭受杂散电流入侵时其内部多场信息演变与传播及特征信息提取方法尚未深入探寻。此外,两种杂散电流间的差异及其与异常振动噪声的内在关联和受扰失稳判据也亟待研究。
本文研究HVDC/RTTS杂散电流入侵变压器时,其内部的磁、固、声多场信息变化特性,并提出多物理场传播与特征信息提取方法。本文解决的关键问题如图1所示。首先,针对两种电流入侵变压器的原理进行分析,利用实测数据分析二者间差异,发现HVDC杂散电流变化较平稳[16],而RTTS杂散电流具有明显突变性[17]。然后研究磁-固-声耦合关系,建立三相变压器多物理场虚拟仿真模型并搭建动模试验平台。通过对比分析不同模式下变压器多场信息的变化规律,验证所提方法及结论的正确性。最后,构建特征因子与变压器振动噪声的数学映射关系,提出受扰失稳判据并划分状态区间。利用电气传感实现通过可量测的电气信息反映难以量测的物理特征,为杂散电流辨识与抑制提供依据。
图1 本文解决的关键问题
Fig.1 The key problems solved in this paper
HVDC/RTTS杂散电流Iin均经大地入侵变压器中性点,进而对设备和系统造成干扰[18-19]。针对该问题,本文分别将HVDC产生的准直流和RTTS地铁引起的冲击电流定义为IHVDC和IRTTS,考虑其准直流和冲击效应,利用特征因子分析其形态特征。
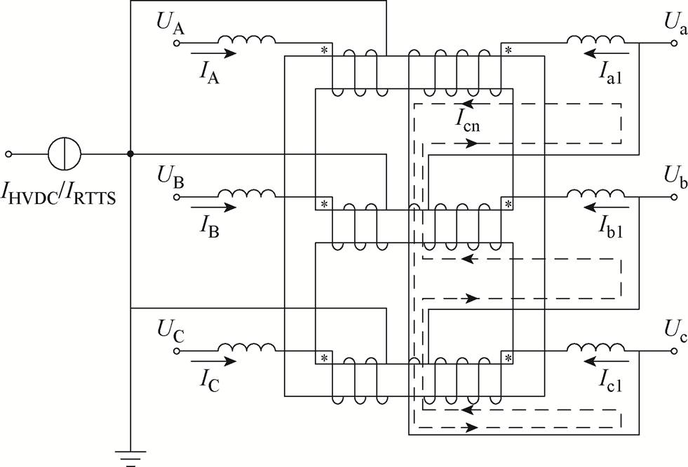
HVDC单极-大地回线运行时,接地极电流易导致变电站附近的接地网存在电位差[20],IHVDC通过变压器中性点、绕组、大地及输电线路形成回路,入侵变压器途径如图2所示。
图2 IHVDC入侵变压器途径
Fig.2 The path of IHVDC invading transformer
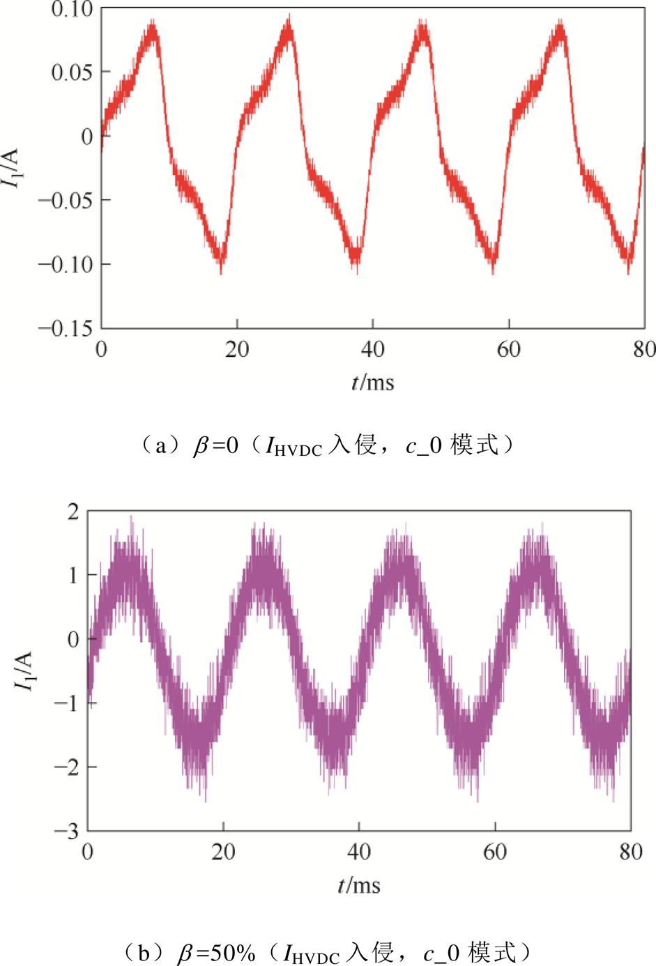
结合我国南方电网HVDC单极-大地回线运行数据[21],分析主变中性点电流如图3所示。通过分析典型时段电流监测数据发现,入侵变压器的IHVDC具有持续性强、波动性弱的特点。因此,可将该杂散电流视为直流电流与突变电流的叠加,其中直流为主要成分,因此定义直流因子c来表征杂散电流入侵的直流水平。
图3 主变中性点电流监测数据(IHVDC入侵时)
Fig.3 Neutral point current in main transformer (IHVDC invasion)
RTTS采用直流供电,通过接触网输送至列车动力系统。列车运行时部分牵引电流会泄漏到大地,形成IRTTS并入侵接地变压器,使之出现异常[22]。IRTTS入侵变压器途径如图4所示。
图4 IRTTS入侵变压器途径
Fig.4 The path of IRTTS invading transformer
以我国东部城市某地铁沿线220 kV变电站为例,分析站内1号主变压器2024年6月中性点电流,典型日监测数据如图5a所示。23:00—次日5:00为列车停运时段,中性点基本无电流;列车正常运行时,中性点电流波动明显,且该地铁线路为上/下行线的双向运行模式,导致电流变化存在正负极性。进一步选取日内典型时段电流监测数据如图5b所示,发现IRTTS具有瞬时性和突变性的特点。IRTTS包含突变分量和(准)直流分量,其中列车行进和启停过程中IRTTS的突变情况较为严重。结合IRTTS波形突变的随机性与复杂性,定义突变电流斜率m,其中突变时刻左侧电流升高的波形斜率为ml,右侧下降的波形斜率为mr,利用突变因子Dm表征IRTTS波形突变性,Dm=|ml-mr|。
图5 主变中性点电流监测数据(IRTTS入侵时)
Fig.5 Neutral point current in main transformer(IRTTS invasion)
经上述分析可知,IHVDC与IRTTS均存在突变分量与直流分量,其形态还存在以下差异化特征:
(1)两种杂散电流在波动性方面区别较大。IHVDC受接地极电流影响,波动较为平稳且极性保持不变;IRTTS受列车进出站影响,波动剧烈且极性正负变化。
(2)两者在持续性方面存在差异。IHVDC主要出现在检修或故障等过程,具有较强的持续性;IRTTS出现在地铁运行时段,具有较强的突变性。
考虑IHVDC/IRTTS影响的三相变压器电路模型如图6所示。图6中UA、UB和UC为一次电压参数,IA、IB和IC为一次电流参数,Ua、Ub和Uc为二次电压参数,Ia1、Ib1和Ic1为二次电流参数。
图6 电路模型
Fig.6 Circuit model
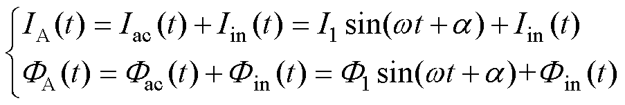
以A相为例,IHVDC/IRTTS入侵后的绕组电流IA与铁心磁通FA可表示为交流分量Iac、Fac和杂散分量Iin、Fin的叠加,可以看出,当Iin变化时,叠加的绕组电流以及主磁通变化偏离工频。
(1)
式中,I1为交流分量对应的电流幅值;
为交流分量对应的铁心磁通;w为角频率;a为相位角。
(2)
式中,JA为A相绕组的电流密度;Sw为绕组横截面的面积。构建Iin激励的磁场模型,利用伽辽金法加权余量法对磁场模型求解[23]。
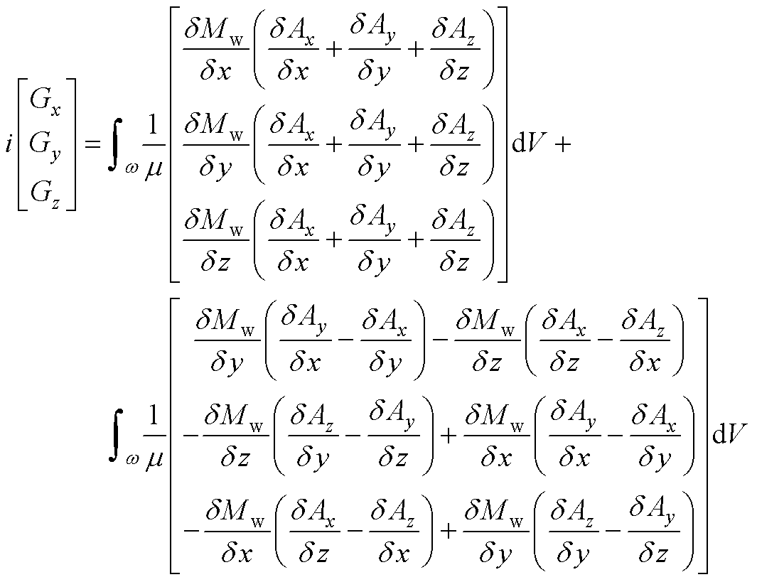
(3)
式中,GA为Iin入侵后的磁场伽辽金余量;Mw为矢量权函数;m为磁导率;A为矢量磁势;Jac为交流分量对应的电流密度;Jin为杂散分量对应的电流密度;n为法向分量。离散化GA方程得到代数方程组,求解可得A,利用A进一步提取磁通密度B等场域信息,其原理见附录。
载流激励与漏磁场相互作用导致绕组受到轴向和径向电磁力[24],本文主要分析绕组的轴向电磁力。根据毕奥-萨伐尔定律[25],可将绕组单元受力与电磁场进行耦合得到
(4)
式中,Fe为绕组受力;ns为单区间段单元数。
考虑Iin入侵时绕组电流的构成,简单分析轴向电磁力Fz可知,在工频激励下,绕组受到的轴向电磁力变化频率为工频的2倍;同时,绕组线圈承受的轴向电磁力还包含Iin产生的入侵分量。
(5)
式中,Fac为交流分量对应的电磁力;Fin为Iin入侵时对应的电磁力。
变压器绕组的轴向振动受力模型如图7所示。
图7 绕组轴向受力模型
Fig.7 Axial force model of winding
(6)
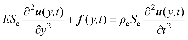
式中,M为绕组质量矩阵;D为阻尼系数矩阵,K为刚度矩阵;x为振动位移矢量;F为绕组轴向电磁力矢量;g为重力加速度。
铁心轴向受力模型如图8所示。图8中
表示铁心单元横截面上的受力。考虑磁致伸缩效应,铁心振动方程为
(7)
式中,E为杨氏模量;
为轴向应变;
为位置y随时间t变化的磁致伸缩力;
为铁心密度;Sc为铁心横截面积;u为铁心的轴向位移。
图8 铁心轴向受力模型
Fig.8 Axial force model of iron core
基于固体振动受力模型计算轴向振动位移x,进而求解Iin入侵变压器时的构件振动加速度
。即
(8)
当变压器构件振动时,会向周围流体传播声波,将式(8)提取的g作为激励输入声场模型,实现固-声耦合计算。
(9)
式中,
为流体密度;
为背景声压;
为变压器噪声声压;
为偶极域源。求解变压器内部声学方程式(10)。
(10)
式中,v为声速;Q为单极域源。
利用声压级Lp提取变压器的噪声变化。
(11)
式中,P为声压有效值;Pf为基准声压,一般取值为20 mPa。
基于电-磁、磁-固及固-声多场域信息传播,提出多场耦合的特征提取方法如图9所示。
图9 磁-固-声耦合模型
Fig.9 Magnetic-solid-acoustic coupling model
主要步骤如下:
(1)电-磁耦合:以时间t为索引,获取tk时刻的电磁信息,将tk时刻的绕组电流ik作为激励输入载流激励域和磁场连通域,同时输入控制参数(杂散电流Iin和负载率b)。求解变压器电磁时空分布,得到磁通密度B等特征信息。
(2)磁-固耦合:基于电-磁耦合求解得到磁场信息,计算tk时刻的构件电磁力Fk,并将其作为机械振动域的激励,进一步求解各单元振动加速度
。
(3)固-声耦合:在多场信息库中提取tk时刻构件的振动加速度
,以
作为激励求解噪声传播域,得到声压pk等特征信息。
(4)信息提取迭代过程。以tk时刻作为链接索引,按照磁-固-声的物理演变机理顺序求解,以控制参数Iin、b为模式标签,将场域特征信息与控制参数关联存储于多场信息库,并更新下一时刻场域参数;当绝对收敛范数小于预设标准值或迭代次数未达上限时,进行tk+1时刻的多场求解,反之则迭代结束。
通过该信息提取方法,可以在不同杂散电流与负载情况下,研究变压器构件的多场域时空分布。
3.1.1 实验模型
分别以不同电压等级的三相变压器(1 kV·A/ 220 V、15 kV·A/400 V)为研究对象,提取其物理信息。由于现场量测实际大型变压器负载运行时内部振动、噪声的难度较大,以三相实验变压器(BSS-1 kV·A 35 V/220 V)为例,搭建动模实验平台如图10所示,采集Iin入侵时的多场信息。设置杂散电流调制单元,S闭合后,调节滑动变阻器Rin,使直流源Iin输出时变杂散电流。其中,IRTTS利用杂散电流调制单元获取电流突变波形难度较大,导致Dm的精确性受到影响。因此,通过大量的实验模拟杂散电流入侵,尽可能地将调节产生的电流载荷与不同入侵模式相符,并利用电流监测模块选取三种近似情况进行分析(入侵后电流波形见附录)。同时,设置振动监测单元,使用压电式加速度传感器(JF2100-T)采集变压器振动信息,采样频率为5 kHz,灵敏度为197.8 mV/g。使用噪声监测单元声级计(AWA6291)采集变压器噪声信息。
3.1.2 仿真模型
结合实际量测变压器数据,等比例构建不同型号(1 kV·A/220 V、15 kV·A/400 V)变压器仿真模型。通过大量仿真与实验对比,反复修正模型参数及场域设置,以提升模型的准确性,使其更加有效地反映实验模型的多场特性。变压器一次、二次绕组联结方式为星-角联结,参数设定与实验模型一致,具体信息见表1(15 kV·A变压器的参数见附录)。基于磁-固-声耦合进行仿真分析并提取关键 信息。
图10 实验平台
Fig.10 Experimental platform
表1 变压器参数
Tab.1 Transformer parameters
铭牌参数额定参数测量参数 容量SN/(V·A)1 000— 频率/Hz50— 高/低压绕组电压UN/V220/110— 空载电流I0/A0.10.1 铁心尺寸/(mm×mm×mm)—300×150×190 硅钢片杨氏模量/MPa1.95×1051.93×105 硅钢片泊松比0.250.26 绕组杨氏模量/MPa0.810.80 绕组泊松比0.360.37
鉴于变压器结构的复杂性,在仿真建模过程中对构件做出简化,以提升数值计算的稳定性和效率:
(1)铁心绕组材料参数通过拉压实验获取,并线性化处理。
(2)忽略压板、夹件及铁心硅钢片间的气隙等。
对各物理场域做如下预处理:
(1)在电-磁耦合中,以三相电流作为施加激励,将磁力线平行设置为磁场外边界条件,即矢量磁势为0,其他边界条件设为自然边界。
(2)在磁-固耦合中,设置变压器底座为固定约束,即振动位移为零。仅考虑构件轴向振动,其他部分设定为默认约束条件。
(3)在固-声耦合中,将环境背景声压设置为0 Pa,并且设定外部环境噪声对变压器声压无影响;设置完美匹配层,即忽略声的反射与折射误差。
依据IHVDC/IRTTS的形态特征分析,重点研究IHVDC的持续性影响及IRTTS的突变性影响,利用特征因子构建Iin数学模型:
(12)
选取仿真周期为80 ms,并设置IRTTS的典型突变时刻t=40 ms,以清晰展示特征信息的变化规律。结合实测数据,并参照行业标准[26],变压器所能承受的直流偏磁水平约为空载电流的2.6倍,设置特征因子见表2、表3。
表2 直流因子参数
Tab.2 DC factor parameters
入侵模式直流因子c 无直流c_00 有直流c_11.0 c_22.0 c_33.0
表3 突变因子参数
Tab.3 Mutation factor parameters
入侵模式参 数 mlmrDm m_0——— m_10.50-1.251.75 m_21.50-0.752.25 m_32.25-2.254.50
以三相变压器(BSS-1 000 V·A)为例,结合铁心与绕组的结构特点,仿真与实验测点布局如图11所示。为了便于实验对比,选取A相①、②号测点研究不同负载模式下(b=0、25%、50%、75%、100%)IHVDC/IRTTS对变压器的电磁、振动及噪声特性的 影响。
分析不同模式下绕组的电磁信息,漏磁
如图12所示,部分绕组电流及主磁仿真结果见附录。
图11 变压器测点分布
Fig.11 Test points distribution of transformer
图12 绕组漏磁信息
Fig.12 Magnetic leakage information of winding
由图12可知,变压器空载运行时,Iin存在直流分量,导致
波形畸变,每个工频周期的正负半周不对称,且半周衰减半轴增强。负载运行时,b升高使
增大。以c_3模式为例,b由25%增至100%,绕组端部(①号测点)漏磁幅值Bs_max约增加2.5倍,绕组中部(④号测点)Bs_max约增加2.4倍,表明绕组端部Bs_max大于中部。由于绕组漏磁由其电流激励产生,线圈载流域磁性为线性,故两者变化趋势基本一致,这与磁场模型原理相符。图12a、图12b中,变压器负载运行绕组电流较大,
受Iin的影响较小,时域波形接近正弦;当b不变时,c_3模式中
畸变比c_2模式更严重,表明直流分量升高使漏磁增大,这与空载运行类似。IHVDC入侵时,
畸变主要集中于波峰区域;IRTTS入侵时,
呈现更加复杂的变化特性,表明IRTTS的突变性使
更易受到干扰。图12c中,在IRTTS突变时刻,
波形出现明显畸变;b相同时,Dm越大
畸变越严重,且
波动频率已偏离工频。结果表明,c、Dm均导致
增大,且Dm进一步加剧
的畸变程度。
3.3.1 仿真振动信息
基于漏磁变化研究绕组振动特征,结果如图13所示。由图13可知,变压器空载运行时,Iin导致绕组振动加速度g呈现“半波不对称”的特点。负载运行时,g随b升高而增强。绕组振动频率为工频激励的2倍,这与理论分析结论一致。不同模式中直流水平c升高,导致g显著增强。以满载运行为例,c_3模式中绕组端部振动加速度幅值gmax比c_0模式增大20%,绕组中部gmax增大约18%。绕组端部的振动较中部更为剧烈。图13c中,IRTTS导致g的波动频率偏离100 Hz,且随着Dm增大g波形畸变加剧,表明IRTTS的波动性对绕组影响更大。对比图12和图13,杂散电流干扰时,绕组构件载流激励与磁场相互作用,其漏磁及振动的物理信息传播呈现相似的变化规律。
图13 绕组仿真振动信息
Fig.13 Vibrationinformationof winding simulation
分析铁心②号测点的振动情况,振动加速度g时域仿真如图14所示。由图14可知,铁心②号测点的g随c、Dm和b的升高而加剧,这与绕组仿真结果所得规律相似。对比图13,Iin入侵引发励磁异常和磁饱和现象,相同模式下铁心振动比绕组更加强烈。图14a、图14b中,c相同时,b由25%增至100%,c_3模式gmax增加约2.8倍;b相同时,c越大g波动越剧烈,满载运行时,c_3模式gmax比c_0模式增大约23%。图14b、图14c中,Dm越大振动波形畸变越严重,IRTTS的突变性使铁心振动畸变更显著。与IHVDC相比,IRTTS导致g具有更加复杂的变化特性。因此,进一步选取典型模式b=100%,分析g的频谱(0~1 kHz)如图15所示。
图14 铁心仿真振动信息
Fig.14 Vibration information of core simulation
图15 振动频域分布
Fig.15 Distribution of vibration spectrum
由图15可以看出,构件振动信息主要集中于100 Hz频段(工频激励的2倍),与图13、图14分析结果一致。同时,由于IRTTS的突变性,导致构件振动加剧且频域分布比IHVDC更加复杂。
选取c_1模式对比分析IHVDC与IRTTS对变压器构件振动的影响如图16所示。
图16 仿真振动对比图
Fig.16 Comparison diagram of simulated vibration
由于IHVDC中直流分量占主要部分,Dm可忽略不计。图16中,c、Dm相同时,构件振动随负载率的升高而升高;c、b相同时,相较于IHVDC,IRTTS的突变特性对变压器的影响更显著。
3.3.2 实验振动信息
为保护实验器材,直流因子c调制范围为[0, 2.0]。不同模式下绕组①号测点的实验振动信息如图17所示。
图17 绕组实验振动信息
Fig.17 Vibration information of winding experiment
图17a和图17b中,c升高使绕组振动加剧,以b=100%为例,c_2模式中gmax较c_0模式中增大约10%。图17b和图17c中,绕组在突变时刻振动出现异常,Dm增大导致畸变程度增强。
铁心②号测点的实验振动信息如图18所示。铁心振动受c、Dm的影响规律与绕组相似,b=100%
图18 铁心实验振动信息
Fig.18 Vibration information of core experiment
①、②号测点g的频谱结果如图19所示。时,c_2模式gmax约为c_0模式的1.2倍,m_3模式的振动畸变最严重。
图19 振动加速度频域分布
Fig.19 Frequency domain distribution of vibration acceleration
对比图15与图19可知,构件在100 Hz频段的振动信号占比最大,c、Dm和b越大,构件受到的影响越大,IRTTS的突变性更易使振动出现异常,且Iin入侵时,铁心振动强于绕组。实验振动频谱与仿真趋势一致,另一方面,由于实验过程中存在结构连动、外部干扰及测量误差等因素,导致采集的振动数据比仿真结果更加复杂。
选取c_1模式对比分析IHVDC与IRTTS对变压器构件实验振动信息的影响如图20所示。
图20 实验振动对比图
Fig.20 Comparison diagram of experimental vibration
图20中,实验对比结果与仿真一致。IHVDC中,直流分量是影响构件的主要因素;而IRTTS中,直流分量和突变分量均会对变压器产生显著影响。随着轨道交通与城市电网联系的不断加强,即使IRTTS较小,其中所包含的突变分量对变压器的影响已不容忽视。
3.4.1 仿真噪声信息
结合Iin入侵时的构件电磁、振动信息,进一步提取噪声信息。不同入侵模式下变压器本体最大噪声见表4~表6。
表4 IHVDC入侵时仿真最大噪声
Tab.4 Simulation maximum noise during IHVDC invasion
入侵模式场景噪声Lpmax/dB b=0%b=25%b=50%b=75%b=100% c_027.9628.3228.7529.3029.98 c_128.6629.0629.4830.0430.73 c_230.2130.6431.0831.6832.36 c_332.0532.4632.9833.6134.39
注:表中红色框区域内噪声异常。
表5 IRTTS入侵时仿真最大噪声(m_1模式)
Tab.5 Simulation maximum noise during IRTTS invasion (m_1 mode)
入侵模式场景噪声Lpmax/dB b=0%b=25%b=50%b=75%b=100% c_027.9628.3228.7529.3029.98 c_128.8129.1929.6430.1230.88 c_230.1930.6831.2331.7932.38 c_332.0432.5132.9633.6034.42
注:表中红色框区域内噪声异常。
表6 IRTTS入侵时仿真最大噪声(c_1模式)
Tab.6 Simulation maximum noise during IRTTS invasion (c_1 mode)
入侵模式场景噪声Lpmax/dB b=0%b=25%b=50%b=75%b=100% m_027.9628.3228.7529.3029.98 m_128.8129.1929.6430.1230.88 m_229.3229.8430.3430.8731.59 m_330.0530.5931.1431.5632.25
注:表中红色框区域内噪声异常。
由表4~表6可知,各模式下变压器噪声随b、c和Dm的升高而增大,变化规律与振动一致。c相同时,IRTTS入侵对变压器的影响更大;b相同时,c_2模式Lpmax比c_0模式增大约8%,c_3模式Lpmax比c_0模式增大约15%。根据规程[27]选取安全阈值为31 dB,表中噪声异常区域表明本体噪声超出限值,此时内部构件可能存在振动异常问题。
以b=75%为例,选取c_1模式分析变压器本体噪声的时域变化,噪声水平最高时刻的Lpmax分布如图21所示。
相同模式下,铁心声压级高于绕组,c、Dm及b均与Lpmax呈正相关,IRTTS突变性对铁心的影响更大,上述结论与振动结果相符。
图21 最大声压级分布
Fig.21 Maximum sound pressure level distribution
3.4.2 实验噪声信息
变压器实验噪声监测结果见表7~表9。c_2模式的噪声水平比c_0模式增大10%,因受环境噪声和构件协同的影响,实验结果大于仿真结果,但二者变化规律保持一致。
表7 IHVDC入侵时实验最大噪声
Tab.7 Experimental maximum noise during IHVDC invasion
入侵模式场景噪声Lpmax/dB b=0%b=25%b=50%b=75%b=100% c_028.8729.3529.9830.5231.26 c_129.7830.3230.9931.6832.32 c_231.6232.3332.9233.4934.28
表8 IRTTS入侵时实验最大噪声(m_1模式)
Tab.8 Experimental maximum noise during IRTTS invasion (m_1 mode)
入侵模式场景噪声Lpmax/dB b=0%b=25%b=50%b=75%b=100% c_028.8729.3529.9830.5231.26 c_129.9430.4531.0631.7332.39 c_231.6532.2132.8933.4534.38
表9 IRTTS入侵时实验最大噪声(c_1模式)
Tab.9 Experimental maximum noise during IRTTS invasion (c_1 mode)
入侵模式场景噪声Lpmax/dB b=0%b=25%b=50%b=75%b=100% m_028.8729.3529.9830.5231.26 m_129.9431.4532.0632.7333.39 m_230.8631.8932.4533.1233.98 m_331.6232.1832.7333.2534.13
上述研究通过短时间尺度(ms级)分析杂散电流对变压器多物理场的干扰传播影响,进一步考虑长时间尺度(s级),以典型列车启停过程为例(12 s),模拟分析变压器构件的受扰情况,如附图4所示。
通过仿真与实验分析Iin对变压器磁-固-声多场域特征信息的影响,总结以下规律:
(1)绕组受Iin影响,漏磁及振动加速度的变化规律相似。空载运行时,绕组电流、漏磁及振动均具有半周不对称的特点。相同负载模式下,直流水平增强导致绕组振动加剧;满载运行时,c_3模式的振动幅值比c_0模式增大20%,噪声增大15%。相同条件下绕组端部的振动噪声异常比中部更明显。与IHVDC相比,IRTTS的突变性使多场信息呈现更加复杂的时序特征,突变因子越大,绕组多场信息畸变越显著。
(2)考虑直流因子的Iin入侵易导致铁心励磁偏置,直流水平越高,励磁饱和程度越严重,振动噪声越剧烈,c_3模式的铁心振动幅值比c_0模式增大23%。相同模式下铁心比绕组更易遭受Iin入侵的影响,IRTTS的突变性导致铁心振动的时域波动和频域构成更为复杂。
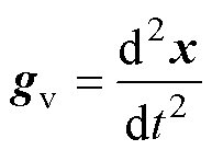
通过虚实一致性校验表明,Iin入侵时变压器构件振动噪声加剧,并具有明显的波动特征。因此,利用特征因子(c、Dm)进一步构建变压器特征信息映射的失稳判据。以绕组为例,在2倍工频电流下进一步仿真研究,并选取gv与Lpmax作为指纹量对测点的振动加速度场景噪声进行深入分析,构建多场特征信息域如图22所示。
不难发现,构件的多场特征信息域具有相似的分布规律,进一步挖掘其映射关系,建立(c、Dm)与(gv、Lpmax)融合的映射函数为
(13)

图22 多场特征信息域
Fig.22 Multi-field feature information domain
表10 融合映射参数
Tab.10 Fusion mapping parameters
fa0a1a2a3a4a5 gv0.756-0.0240.0170.0310.0070.016 Lpmax9.368-0.2230.2540.6370.0580.341
结合多模式磁-固-声交互信息,不同负载下的特征信息具有类似的映射关系,这与其信息域分布相符。结合特征信息与设备受扰情况,可将多场特征信息域划分为三类状态区间:安全运行区间、风险预警区间、异常失稳区间。将特征因子(c、Dm)作为表征参量制定失稳判据:
(14)
式中,c0和Dm0分别为正常运行时的特征因子c和Dm值。
表11 状态区间
Tab.11 State interval
cDm [0, 3.0)[3.0, 5.0)[5.0, ∞) [0, 1.5)安全运行风险预警异常失稳 [1.5, 2.5)风险预警异常失稳异常失稳 [2.5, ∞)异常失稳异常失稳异常失稳
当0<c<1.5且0≤Dm<3.0时,变压器受特征因子干扰程度较小,处于安全运行区间。
当0<c<1.5且3.0≤Dm<5.0时,c干扰程度较小,Dm干扰程度较大;当1.5≤c<2.5且0≤Dm<3.0时,c干扰程度较大,Dm干扰程度较小。虽然变压器能够抵御Iin入侵造成的影响,但构件的振动累积效应与环境噪声污染已不容忽视,此时变压器处于风险预警区间。
当1.5≤c<2.5且3.0≤Dm<5.0时,特征因子的干扰程度较大;当c>2.5或Dm>5.0时变压器振动噪声异常严重并出现绝缘烧毁现象,变压器处于异常失稳区间,应及时报警动作并采取相关抑制措施。经实验论证,实验变压器的安全阈值c0=2.5、Dm0=3.0,可靠系数Krel_c取1.1[28]、Krel_Dm取1.2[29]。随着电压等级的升高,变压器承受干扰的韧性增强且对c和Dm的抵御能力提高。因此,实际工程中可根据变压器电压等级对Krel_c及Krel_Dm进行调节。
工程中变压器运行负载率一般低于75%,虽然Iin入侵时的电流未超过安全限值,但内部构件的电磁兼容与结构稳定已受到较大影响,尤其是IRTTS具有冲击间断性和突变随机性的特点,易导致设备承受Iin入侵的恶劣影响。目前针对Iin直流分量的治理已有较多研究,但针对Iin突变分量的保护抑制仍存有不足,因此,变压器及系统的抗干扰能力有待提升,相关治理措施还需进一步完善。
针对杂散电流入侵问题,研究变压器物理传播与特征信息提取,得出以下结论:
1)IHVDC波动平稳且持续性较强,直流分量占比较大,易使变压器励磁偏置导致过饱和问题;IRTTS波动剧烈且突变性较强,造成多物理场特征信息的畸变异常。利用特征因子(直流因子c和突变因子Dm)可有效表征二者的形态差异。
2)Iin入侵导致变压器内部电磁、振动噪声多场域信息均发生显著变化。对空载模式下的变压器影响较为剧烈,其中电磁、振动呈现“半波不对称”的变化规律;负载模式下,c增加导致振动噪声增强。满载运行c达到3.0时,构件振动加速度比正常运行时增大约20%,噪声增大约15%。相同入侵模式下,负载率越高,振动噪声越剧烈。与IHVDC相比,IRTTS入侵时多场信息参数变化规律更复杂,Dm越大波形畸变越严重。相同条件下,IRTTS的突变性使变压器更易受到干扰,铁心受扰情况比绕组更为严重。
3)通过多场信息提取能够关联磁、固、声多场域信息形成多元信息库,通过融合异常特征信息挖掘其隐含的映射关系,结合构件受扰程度划分状态区间,并制定基于特征因子的失稳判据,实现利用可量测的电气信息表征其他难以量测的物理特征,为制定变压器风险抵御辅助决策提供重要依据。
附 录
(A1)
(A2)
式中,Gx、Gy、Gz为GA的方向分量。
附图1 列车启停杂散电流入侵变压器振动仿真结果(IRTTS入侵,b=100%)
App.Fig.1 Vibration simulation results of train start-stop stray current intrusion transformer (IRTTS invasion, b=100%)
附图2 部分实测电流数据
App.Fig.2 Actual measured current data
附图3 初级绕组电流部分仿真数据
App.Fig.3 Partial simulation data of primary winding current
附图4 A相主磁通部分仿真数据
App.Fig.4 Partial simulation data of A-phase main flux
附表1 变压器参数(15 kV·A, 400 V)
App.Tab.1 Transformer arguments (15 kV·A, 400 V)
铭牌参数额定参数测量参数 容量SN/(kV·A)15— 频率/Hz50— 高/低压绕组电压UN/V400(380)/110— 空载电流I0/A4.20.1 铁心尺寸/(mm×mm×mm)—550×218×545 硅钢片杨氏模量/MPa—1.93×105 硅钢片泊松比—0.26 绕组杨氏模量/MPa—0.79 绕组泊松比—0.37
附图5 仿真模型(15 kV·A, 400 V)
App.Fig.5 Simulation model (15 kV·A, 400 V)
附图6 实验平台(15 kV·A, 400 V)
App.Fig.6 Experimental platform (15 kV·A, 400 V)
参考文献
[1] 吴传奇, 李晓辉, 阮羚, 等. 特高压直流接地极近区新能源接入电网的直流偏磁评测与抑制[J]. 高电压技术, 2022, 48(10): 4172-4180.
Wu Chuanqi, Li Xiaohui, Ruan Ling, et al. DC bias evaluation and suppression of power grid with renew- able energy near grounding electrode of UHVDC transmission project[J]. High Voltage Engineering, 2022, 48(10): 4172-4180.
[2] Wang Aimin, Lin Sheng, Hu Ziheng, et al. Evaluation model of DC current distribution in AC power systems caused by stray current of DC metro systems[J]. IEEE Transactions on Power Delivery, 2021, 36(1): 114-123.
[3] 马书民, 戎子睿, 林湘宁, 等. 直流偏磁影响下继电保护的误拒动机理分析及对策研究[J]. 电力系统保护与控制, 2022, 50(8): 86-98.
Ma Shumin, Rong Zirui, Lin Xiangning, et al. Analysisand countermeasures of relay protection false rejection mechanism under the influence of DC bias[J]. Power System Protection and Control, 2022, 50(8): 86-98.
[4] 黄天超, 王泽忠, 李宇妍. 换流变压器直流偏磁对油箱涡流损耗的影响[J]. 电工技术学报, 2023, 38(8): 2004-2014.
Huang Tianchao, Wang Zezhong, Li Yuyan. The influence of converter transformer DC bias on eddy current loss of tank[J]. Transactions of China Electrotechnical Society, 2023, 38(8): 2004-2014.
[5] Li Yang, Zou Jun, Li Yongjian, et al. Prediction of core loss in transformer laminated core under DC bias based on generalized preisach model[J]. IEEE Trans- actions on Magnetics, 2024, 60(3): 8400405.
[6] 王振, 张艳丽, 张殿海, 等. 直流偏磁下单相变压器铁心实验模型局部磁致形变测量与模拟[J]. 中国电机工程学报, 2021, 41(12): 4316-4325.
Wang Zhen, Zhang Yanli, Zhang Dianhai, et al. Measurement and modelling of local deformation caused by magnetism in the single-phase transformer core experimental model under DC bias[J]. Procee- dings of the CSEE, 2021, 41(12): 4316-4325.
[7] 赵小军, 张佳伟, 王浩名, 等. 电-磁-机耦合视域下考虑气隙影响的变压器铁心振动特性精细化模拟方法[J]. 电工技术学报, 2024, 39(14): 4257-4269.
Zhao Xiaojun, Zhang Jiawei, Wang Haoming, et al. A refined simulation method for the vibration charac- teristics of transformer core considering the influence of air gap under the perspective of electro- magnetic-mechanical coupling[J]. Transactions of China Electrotechnical Society, 2024, 39(14): 4257-4269.
[8] 何良, 吴天宝, 李荣, 等. 直流偏磁对500 kV变压器振动特性的影响分析[J]. 电力自动化设备, 2024, 44(02): 133-138.
He Liang, Wu Tianbao, Li Rong, et al. Influence analysis of DC bias on vibration characteristics of 500 kV transformer[J]. Electric Power Automation Equipment, 2024, 44(02): 133-138.
[9] He Jinliang, Yu Zhanqing, Zeng Rong, et al. Vibration and audible noise characteristics of AC transformer caused by HVDC system under monopole operation[J]. IEEE Transactions on Power Delivery, 2012, 27(4): 1835-1842.
[10] 马书民, 夏少连, 熊玮, 等. HVDC/GIC型直流偏磁的差异性分析[J].电力系统保护与控制, 2023, 51(2): 55-64.
Ma Shumin, Xia Shaolian, Xiong Wei, et al. Differ- ence analysis of HVDC/GIC type DC bias[J]. Power System Protection and Control, 2023, 51(2): 55-64.
[11] 丁登伟, 张星海, 兰新生. HVDC单极运行对500 kV交流变压器的振动影响分析研究[J]. 振动与冲击, 2016, 35(17): 201-206.
Ding Dengwei, Zhang Xinghai, Lan Xinsheng. Effects of HVDC monopole operation on vibration of a 500 kV AC transformer[J]. Journal of Vibration and Shock, 2016, 35(17): 201-206.
[12] 程新翔, 喻锟, 曾祥君, 等. 地铁杂散电流引起变压器直流偏磁抑制方法[J]. 电网技术, 2024, 48(4): 1700-1711.
Cheng Xinxiang, Yu Kun, Zeng Xiangjun, et al. Restraining method of transformer DC bias caused by metro stray currents[J]. Power System Technology, 2024, 48(4): 1700-1711.
[13] 黄华, 陈璐, 吴天逸, 等. 城市轨道交通动态运行对交流电网变压器偏磁直流的影响[J]. 电网技术, 2022, 46(11): 4524-4533.
Huang Hua, Chen Lu, Wu Tianyi, et al. Influence of dynamic operation of urban rail transit on DC magnetic bias of AC power grid transformer[J]. Power System Technology, 2022, 46(11): 4524-4533.
[14] Wu Weili, Chen Wenmei, Li Lei. Calculation and analysis of DC magnetic bias current of urban main transformer under the action of stray current[J]. Mobile Information Systems, 2021, 2021: 4806136.
[15] 史云涛, 赵丽平, 林圣, 等. 城市电网中地铁杂散电流分布规律及影响因素分析[J]. 电网技术, 2021, 45(5): 1951-1957.
Shi Yuntao, Zhao Liping, Lin Sheng, et al. Analysis of distribution of metro stray current in urban power grid and its influencing factors[J]. Power System Technology, 2021, 45(5): 1951-1957.
[16] 郑涛, 陈佩璐, 刘连光, 等. 地磁感应电流对电流互感器传变特性及差动保护的影响[J]. 电力系统自动化, 2013, 37(22): 84-89.
Zheng Tao, Chen Peilu, Liu Lianguang, et al. Effects of geomagnetically induced current on transferring characteristics of current transformer and transformer differential protection[J]. Automation of Electric Power Systems, 2013, 37(22): 84-89.
[17] 刘炜, 周林杰, 唐宇宁, 等. 直流牵引供电回流系统与杂散电流扩散的联合仿真模型[J]. 电工技术学报, 2023, 38(16): 4421-4432.
Liu Wei, Zhou Linjie, Tang Yuning, et al. Co- simulated model of DC traction power supply return system and stray current diffusion[J]. Transactions of China Electrotechnical Society, 2023, 38(16): 4421- 4432.
[18] Zhang Bo, Cao Fangyuan, Zeng Rong, et al. DC current distribution in both AC power grids and pipelines near HVDC grounding electrode considering their interaction[J]. IEEE Transactions on Power Delivery, 2019, 34(6): 2240-2247.
[19] 郑鑫, 杜贵府, 李巧月, 等. 城轨直流牵引供电多回流路径耦合建模及回流安全参数动态分布[J]. 电工技术学报, 2024, 39(15): 4630-4642.
Zheng Xin, Du Guifu, Li Qiaoyue, et al. Multiple reflux paths coupling modeling for urban rail DC traction power supply and dynamic distribution of reflux safety parameters[J]. Transactions of China Electrotechnical Society, 2024, 39(15): 4630-4642.
[20] 郝黎明, 王东来, 卢铁兵, 等. 计及金属回流线影响的±500 kV高压直流输电线路地面合成电场计算分析[J]. 电工技术学报, 2019, 34(12): 2468-2476.
Hao Liming, Wang Donglai, Lu Tiebing, et al. Calculation and analysis of ground-level total electric field under ±500 kV HVDC lines considering the influence of metal return lines[J]. Transactions of China Electrotechnical Society, 2019,34(12): 2468- 2476.
[21] 刘连光, 张冰, 肖湘宁. GIC和HVDC单极大地运行对变压器的影响[J]. 变压器, 2009, 46(11): 32-35.
Liu Lianguang, Zhang Bing, Xiao Xiangning. Effect of GIC and HVDC ground return operation mode on transformer[J]. Transformer, 2009, 46(11): 32-35.
[22] 倪砚茹, 曾祥君, 喻锟, 等. 地铁杂散电流引起动态地电位分布建模及影响因素分析[J]. 中国电机工程学报, 2023, 43(23): 9059-9072.
Ni Yanru, Zeng Xiangjun, Yu Kun, et al. Modeling and influencing factors analysis of dynamic potential distribution caused by metro stray current[J]. Procee- dings of the CSEE, 2023, 43(23): 9059-9072.
[23] 刘云鹏, 王博闻, 周旭东, 等. 基于等效源法的变压器瞬态声场重构与声学监测测点位置定量评价方法[J]. 中国电机工程学报, 2022, 42(7): 2765- 2776.
Liu Yunpeng, Wang Bowen, Zhou Xudong, et al. Method of transformer transient acoustic field reconst- ruction based on equivalent source method and acoustic monitoring point position quantitative evaluation[J]. Proceedings of the CSEE, 2022, 42(7): 2765-2775.
[24] 潘超, 赵彤, 蔡国伟, 等. 交直流混杂环境下三相变压器绕组电磁-振动特性[J]. 东北电力大学学报, 2023, 43(1): 45-54.
Pan Chao, Zhao Tong, Cai Guowei, et al. Electro- magnetic vibration characteristics of three-phase transformer windings in AC/DC hybrid environment[J]. Journal of Northeast Electric Power University, 2023, 43(1): 45-54.
[25] 陈彬, 姜鹏飞, 万妮娜, 等. 同轴多层筒式空心线圈自感和互感解析计算方法[J]. 电工技术学报, 2024, 39(20): 6270-6281.
Chen Bin, Jiang Pengfei, Wan Nina, et al. Analytical calculation for self and mutual inductance of coaxial- multi layer cylindrical hollow coils[J]. Transactions of China Electrotechnical Society, 2024, 39(20): 6270- 6281.
[26] 国家能源局. 电力变压器直流偏磁耐受能力试验方法: DL/T 1799—2018[S]. 北京: 中国电力出版社, 2018.
[27] 国家市场监督管理总局,国家标准化管理委员会. 电力变压器第101部分:声级测定应用导则: GB/T 1094.101—2023[S]. 北京: 中国标准出版社, 2023.
[28] 潘超, 金明权, 蔡国伟, 等. 基于变压器励磁电流辨识的直流失稳与抑制策略[J]. 电工技术学报, 2018, 33(18): 4267-4276.
Pan Chao, Jin Mingquan, Cai Guowei, et al. DC instability and suppression strategy of transformer based on exciting-current identification[J]. Transactions of China Electrotechnical Society, 2018,33(18): 4267- 4276.
[29] 周念成, 苏宇, 王强钢, 等. 基于IGBT的配电变压器有载调压开关参数设计及分析[J]. 电力自动化设备, 2018, 38(7): 35-42, 67.
Zhou Niancheng, Su Yu, Wang Qianggang, et al. Parameter design and analys is of IGBT-based on-load tapchangers for distribution transformer[J]. Electric Power Automation Equipment, 2018, 38(7): 35-42, 67.
Abstract The stray current generated in HVDC transmission system and rail transit traction system will invade the transformer and lead to the abnormal vibration and noise. Aiming to this problem, experts and scholars at home and abroad have carried out relevant research. However, the difference between the two stray currents, the evolution and propagation of multi-information and the extraction method of characteristic information have not been explored in depth. Therefore, the evolution and propagation of magnetic-solid-noise multi-information are investigated when the transformer is disturbed by stray current.
Firstly, the morphological characteristics of the two stray currents are compared and analyzed with the measured data, and the characteristic factors (DC factor and mutation factor Dm) are used to characterize the volatility and persistence. Then, the multi-physical field propagation and feature information extraction method of stray current invading transformer is proposed. Three-phase transformers (1 kV·A, 220 V, 15 kV·A, 400 V) with different voltage levels are taken as the research objects to extract the physical information. The virtual simulation model and dynamic simulation experiment platform are built to obtain the electromagnetic, vibration and noise of the components in different scenarios.
Through simulation and experiment, the following conclusions can be drawn: (1) The winding is affected by stray current, and the variation of magnetic flux leakage and vibration acceleration is similar. During no-load operation, the winding current, magnetic flux leakage and vibration have the characteristics of half-cycle asymmetry. Under the same load mode, the vibration and noise are more significant with the increase of the DC factor, and the time domain waveform is more distorted with the increase of the mutation factor. Under full load operation, the vibration amplitude of c_3 mode is 20% higher than that of c_0 mode, and the noise is increased by 15%. Under the same conditions, the vibration noise anomaly at the end of the winding is more obvious than that in the middle. Compared with HVDC transmission, the mutability of stray current in rail transit traction system makes the multi-field information present more complex timing characteristics. (2) Stray current intrusion considering DC factor can easily lead to core excitation bias. The degree of excitation saturation is more serious with the increase of DC level. The vibration amplitude of the core in c_3 mode is 23% higher than that in c_0 mode. In the same mode, the core is more susceptible to stray current intrusion than the winding.
Finally, the feature information domain is formed by combining the multi-mode magnetic-solid-noise interaction information. The mapping relationship between stray current and vibration noise is studied by using characteristic factors. The characteristic information under different loads has similar mapping relationship. Combined with the characteristic information and the disturbance of equipment, the multi-field characteristic information domain can be divided into three state intervals: safe operation interval, risk early warning interval and abnormal instability interval. When 0<c<1.5 and 0≤Dm<3.0, the transformer is less disturbed by the characteristic factor and is in the safe operation range; when 0<c<1.5 and 3.0≤Dm<5.0, the degree of c interference is small, and the degree of Dm interference is large. When 1.5≤c<2.5 and 0≤Dm<3.0, the degree of c interference is large, and the degree of Dm interference is small. Although the transformer can resist the influence of the stray current, the vibration accumulation effect and environmental noise pollution of the component cannot be ignored. At this time, the transformer is in the risk warning interval. When 1.5≤c<2.5 and 3.0≤Dm<5.0, the interference degree of the characteristic factor is large, and when c>2.5 or Dm>5.0, the vibration noise of the transformer is very serious and the insulation is burned out. The transformer is in the abnormal instability interval, and the alarm action should be taken in time and the relevant suppression measures should be taken.
Keywords:Stray current, multi-field characteristics, instable judgement, disturbance propagation
潘 超 男,1981年,博士,副教授,研究方向为电力系统稳定与电磁兼容等。
E-mail: 31563018@qq.com
付桐睿 女,2001年生,硕士研究生,研究方向为变压器内部故障辨识。
E-mail: 604373986@qq.com(通信作者)
中图分类号:TM41
DOI: 10.19595/j.cnki.1000-6753.tces.250096
国家重点研发计划资助项目(2021YFB2400800)。
收稿日期 2025-01-13
改稿日期 2025-04-05
(编辑 郭丽军)